Datasheet A80601, A80601-1 (Allegro) - 4
| Fabricante | Allegro |
| Descripción | High Power LED Driver with Pre-Emptive Boost for Ultra-High Dimming Ratio and Low Output Ripple |
| Páginas / Página | 37 / 4 — A80601 and. High Power LED Driver with Pre-Emptive Boost. A80601-1 for … |
| Formato / tamaño de archivo | PDF / 5.0 Mb |
| Idioma del documento | Inglés |
A80601 and. High Power LED Driver with Pre-Emptive Boost. A80601-1 for Ultra-High Dimming Ratio and Low Output Ripple. A80601

Línea de modelo para esta hoja de datos
Versión de texto del documento
A80601 and High Power LED Driver with Pre-Emptive Boost A80601-1 for Ultra-High Dimming Ratio and Low Output Ripple
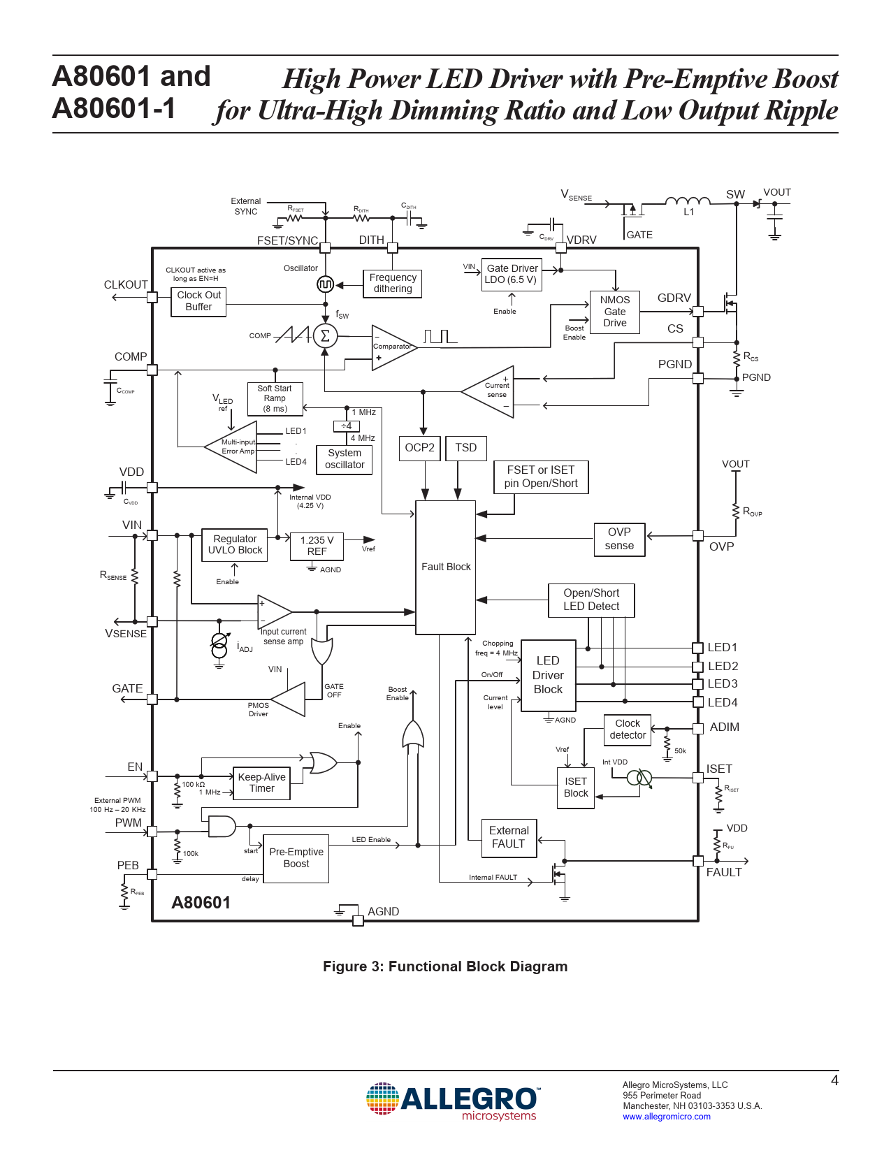
VSENSE SW VOUT External C SYNC RFSET R DITH DITH L1 FSET/SYNC C GATE DRV DITH VDRV CLKOUT active as Oscillator VIN Gate Driver long as EN=H Frequency LDO (6.5 V) CLKOUT dithering Clock Out NMOS GDRV Buffer Enable f Gate SW Drive Boost CS COMP Enable Comparator COMP RCS PGND PGND Current C Soft Start COMP sense VLED Ramp ref (8 ms) 1 MHz ÷4 LED1 Multi-input . 4 MHz Error Amp . OCP2 TSD System LED4 oscillator VOUT VDD FSET or ISET pin Open/Short Internal VDD CVDD (4.25 V) ROVP VIN Regulator OVP 1.235 V UVLO Block REF Vref sense OVP AGND Fault Block RSENSE Enable Open/Short + LED Detect VSENSE Input current sense amp i Chopping ADJ LED1 freq = 4 MHz LED VIN LED2 On/Off Driver GATE GATE Boost Block LED3 OFF Enable Current PMOS level LED4 Driver AGND Enable Clock ADIM detector Vref 50k Int VDD EN ISET Keep-Alive 100 kΩ ISET 1 MHz Timer Block RISET External PWM 100 Hz – 20 KHz PWM VDD External LED Enable FAULT RPU 100k start Pre-Emptive PEB Boost delay Internal FAULT FAULT RPEB
A80601
AGND
Figure 3: Functional Block Diagram
Allegro MicroSystems, LLC 4 955 Perimeter Road Manchester, NH 03103-3353 U.S.A. www.allegromicro.com Document Outline Features and Benefits Description Applications Package Selection Guide Absolute Maximum Ratings Thermal Characteristics Typical Application – SEPIC Functional Block Diagram Pinout Diagram and Terminal List Electrical Characteristics Functional Description Enabling the IC Powering Up: LED Detection Phase Powering Up: Boost Output Undervoltage Soft Start Function Frequency Selection Synchronization Loss of External Sync Signal Switching Frequency Dithering Clock Out Function LED Current Setting PWM Dimming Pre-Emptive Boost (PEB) Analog Dimming ADIM Mode APWM Mode Extending LED Dimming Ratio Analog Dimming with External Voltage VDD VDRV Shutdown Fault Detection and Protection FAULT Status LED String Partial-Short Detect Overvoltage Protection Boost Switch Overcurrent Protection Input Overcurrent Protection and Disconnect Switch Setting the Input Current Sense Resistor Input UVLO Fault Protection During Operation Package Outline Drawing Appendix: External MOSFET Selection Guide