Datasheet PI4GTL2002 (Diodes) - 6
| Fabricante | Diodes |
| Descripción | 2-CHANNEL Gtl Level Shifter & Transceiver |
| Páginas / Página | 13 / 6 — PI4GTL2002. www.diodes.com |
| Formato / tamaño de archivo | PDF / 1.4 Mb |
| Idioma del documento | Inglés |
PI4GTL2002. www.diodes.com

Línea de modelo para esta hoja de datos
Versión de texto del documento
PI4GTL2002
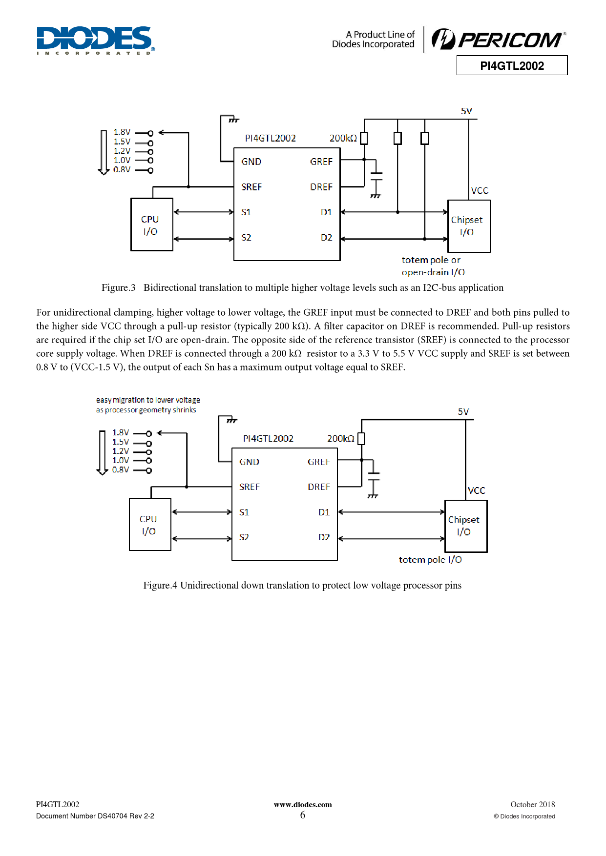
Figure.3 Bidirectional translation to multiple higher voltage levels such as an I2C-bus application Figure.4 Unidirectional down translation to protect low voltage processor pins PI4GTL2002
www.diodes.com
October 2018 Document Number DS40704 Rev 2-2 6 © Diodes Incorporated