Datasheet IRFF9120, JANTX2N6845, JANTXV2N6845 (International Rectifier) - 5
| Fabricante | International Rectifier |
| Descripción | 100V, P-CHANNEL MOSFET TO-205AF (TO-39) |
| Páginas / Página | 7 / 5 — IRFF9120. JANTX2N6845/JANTXV2N6845. Fig 12a. Fig 12b. Fig 13b. Fig 13a. … |
| Formato / tamaño de archivo | PDF / 905 Kb |
| Idioma del documento | Inglés |
IRFF9120. JANTX2N6845/JANTXV2N6845. Fig 12a. Fig 12b. Fig 13b. Fig 13a. Fig 14a. Fig 14b

Línea de modelo para esta hoja de datos
Versión de texto del documento
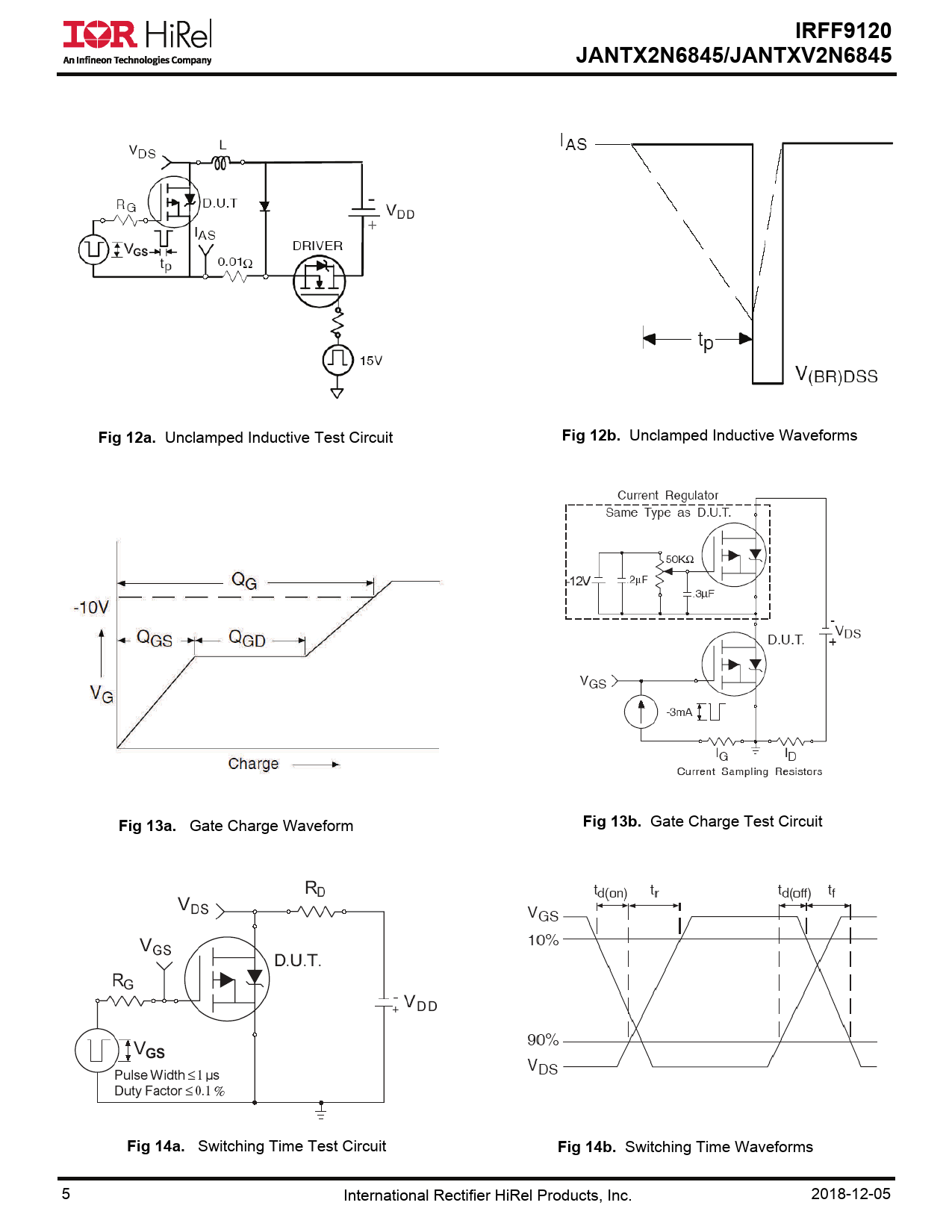
IRFF9120 JANTX2N6845/JANTXV2N6845 Fig 12a.
Unclamped Inductive Test Circuit
Fig 12b.
Unclamped Inductive Waveforms
Fig 13b.
Gate Charge Test Circuit
Fig 13a.
Gate Charge Waveform
Fig 14a.
Switching Time Test Circuit
Fig 14b.
Switching Time Waveforms 5 International Rectifier HiRel Products, Inc. 2018-12-05