Datasheet IRFF9120, JANTX2N6845, JANTXV2N6845 (International Rectifier) - 6

FabricanteInternational Rectifier
Descripción100V, P-CHANNEL MOSFET TO-205AF (TO-39)
Páginas / Página7 / 6 — IRFF9120. Fig 12a. Fig 12c. Fig 12b. Fig 13a. Fig 13b
Formato / tamaño de archivoPDF / 134 Kb
Idioma del documentoInglés

IRFF9120. Fig 12a. Fig 12c. Fig 12b. Fig 13a. Fig 13b

IRFF9120 Fig 12a Fig 12c Fig 12b Fig 13a Fig 13b

Línea de modelo para esta hoja de datos

Versión de texto del documento

IRFF9120
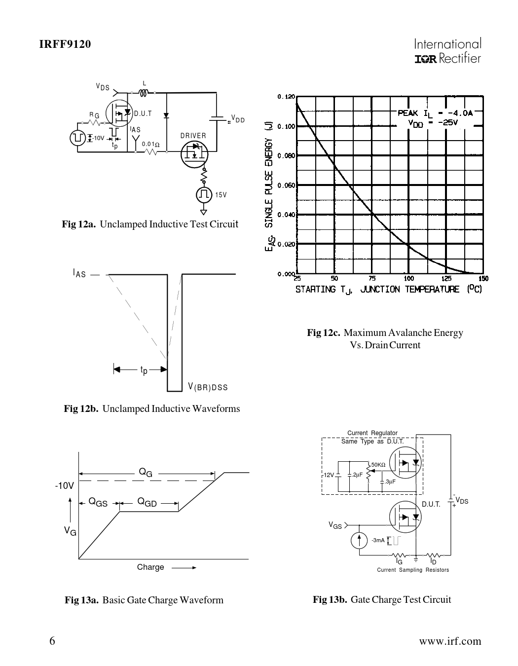
L V D S R G D .U .T VD D IA S A D R IV E R -20V -10V t 0.0 1 p Ω 15V
Fig 12a.
Unclamped Inductive Test Circuit I A S
Fig 12c.
Maximum Avalanche Energy Vs. Drain Current tp V (BR)DSS
Fig 12b.
Unclamped Inductive Waveforms Current Regulator Same Type as D.U.T. 50KΩ QG -12V .2µF 12V .3µF -10V - Q V GS QGD D.U.T. + DS V V GS G -3mA I I G D Charge Current Sampling Resistors
Fig 13a.
Basic Gate Charge Waveform
Fig 13b.
Gate Charge Test Circuit 6 www.irf.com