Datasheet AD9675 (Analog Devices) - 3

FabricanteAnalog Devices
DescripciónOctal Ultrasound AFE with JESD204B
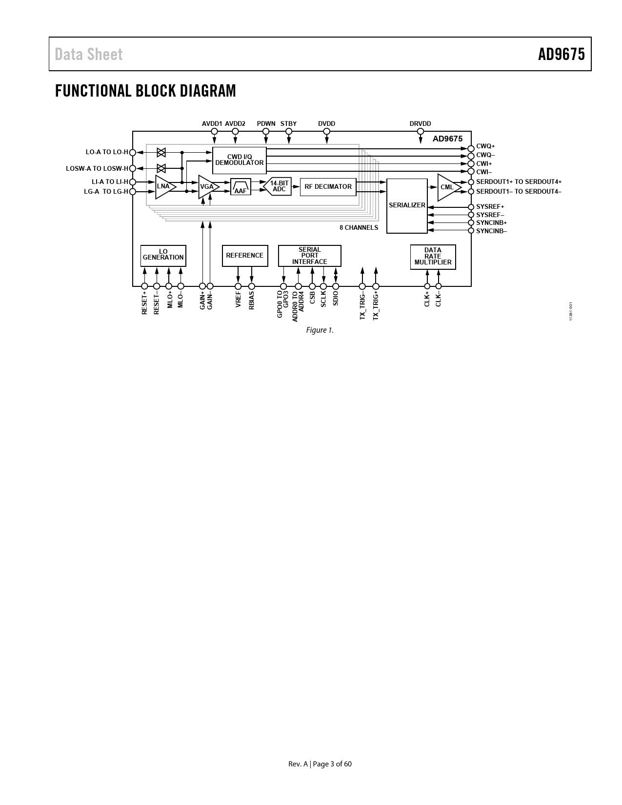
Páginas / Página60 / 3 — Data Sheet. AD9675. FUNCTIONAL BLOCK DIAGRAM. AVDD1 AVDD2. PDWN STBY. …
RevisiónA
Formato / tamaño de archivoPDF / 761 Kb
Idioma del documentoInglés

Data Sheet. AD9675. FUNCTIONAL BLOCK DIAGRAM. AVDD1 AVDD2. PDWN STBY. DVDD. DRVDD. CWQ+. LO-A TO LO-H. CWD I/Q. CWQ–. DEMODULATOR. CWI+

Data Sheet AD9675 FUNCTIONAL BLOCK DIAGRAM AVDD1 AVDD2 PDWN STBY DVDD DRVDD CWQ+ LO-A TO LO-H CWD I/Q CWQ– DEMODULATOR CWI+

Línea de modelo para esta hoja de datos

Versión de texto del documento

Data Sheet AD9675 FUNCTIONAL BLOCK DIAGRAM AVDD1 AVDD2 PDWN STBY DVDD DRVDD AD9675 CWQ+ LO-A TO LO-H CWD I/Q CWQ– DEMODULATOR CWI+ LOSW-A TO LOSW-H CWI– LI-A TO LI-H SERDOUT1+ TO SERDOUT4+ LNA 14-BIT VGA RF DECIMATOR CML LG-A TO LG-H AAF ADC SERDOUT1– TO SERDOUT4– SERIALIZER SYSREF+ SYSREF– SYNCINB+ 8 CHANNELS SYNCINB– SERIAL LO DATA REFERENCE PORT GENERATION RATE INTERFACE MULTIPLIER + + + O 3 O 4 B K + T O EF IO IN IN AS O L K+ K– T IG– 0 T CS IG SET ML MLO VR SD GP SC R CL CL
1
ESE E GA GA RBI O
0
ADDR _T _TR
0
R R
1-
GP
38
ADDR0 TX TX
1 1 Figure 1. Rev. A | Page 3 of 60 Document Outline Features Applications General Description Table of Contents Revision History Functional Block Diagram Specifications AC Specifications Digital Specifications Switching Specifications CLK±, TX_TRIG± Synchronization Timing Diagram CW Timing Diagram Absolute Maximum Ratings Thermal Impedance ESD Caution Pin Configuration and Function Descriptions Typical Performance Characteristics TGC Mode CW Doppler Mode Theory of Operation TGC Operation Low Noise Amplifier (LNA) Active Impedance Matching LNA Noise CLNA Connection DC Offset Correction/High-Pass Filter Variable Gain Amplifier (VGA) Gain Control VGA Noise Antialiasing Filter (AAF) AAF/VGA Test Mode ADC Clock Input Considerations Clock Duty Cycle Considerations Clock Jitter Considerations Power Dissipation and Power-Down Mode Power and Ground Connection Recommendations Advanced Power Control Digital Outputs and Timing JESD204B Transmit Top Level Description JESD204B Overview JESD204B Synchronization Details CGS Phase ILAS Phase Data Transmission Phase Link Setup Parameters Disable Lanes Converter and Lane Configuration Configure the Tail Bits and Control Bits Set Lane Identification Values Set Number of Frames per Multiframe, K Enable Scramble, SCR Set Lane Synchronization Options Check FCHK, Checksum of JESD204B Interface Parameters Set Additional Digital Output Configuration Options Reenable Lanes After Configuration Frame and Lane Alignment Monitoring and Correction Digital Outputs and Timing Preemphasis Digital Output Test Patterns SDIO Pin SCLK Pin CSB Pin RBIAS Pin VREF Pin GPOx Pins ADDRx Pins TX_TRIG± Pins Analog Test Tone Generation CW Doppler Operation Quadrature Generation I/Q Demodulator and Phase Shifter Digital RF Decimator Vector Profile RF Decimator DC Offset Calibration Multiband AAF and Decimate by 2 High-Pass Filter Digital Test Waveforms Waveform Generator Channel ID and Ramp Generator Digital Block Power Saving Scheme Serial Port Interface (SPI) Hardware Interface Memory Map Reading the Memory Map Table Reserved Locations Default Values Logic Levels Recommended Start-Up Sequence Memory Map Register Table Memory Map Register Descriptions Transfer (Register 0x0FF) Profile Index and Software TX_TRIG (Register 0x10C) Outline Dimensions Ordering Guide