Datasheet AD9670 (Analog Devices) - 3

FabricanteAnalog Devices
DescripciónOctal Ultrasound AFE With Digital Demodulator
Páginas / Página52 / 3 — Data Sheet. AD9670. FUNCTIONAL BLOCK DIAGRAM. AVDD1 AVDD2. PDWN STBY. …
RevisiónA
Formato / tamaño de archivoPDF / 747 Kb
Idioma del documentoInglés

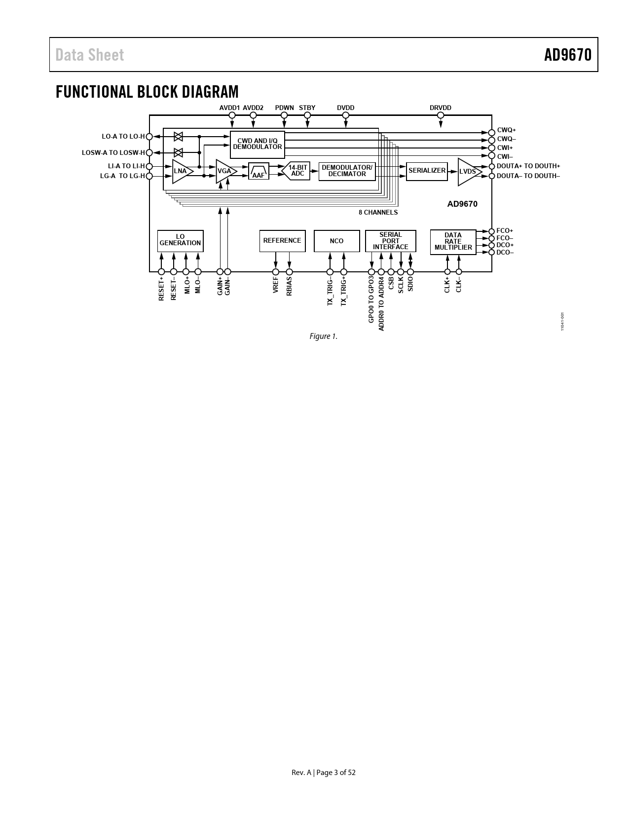
Data Sheet. AD9670. FUNCTIONAL BLOCK DIAGRAM. AVDD1 AVDD2. PDWN STBY. DVDD. DRVDD. CWQ+. LO-A TO LO-H. CWD AND I/Q. CWQ–. DEMODULATOR. CWI+

Data Sheet AD9670 FUNCTIONAL BLOCK DIAGRAM AVDD1 AVDD2 PDWN STBY DVDD DRVDD CWQ+ LO-A TO LO-H CWD AND I/Q CWQ– DEMODULATOR CWI+

Línea de modelo para esta hoja de datos

Versión de texto del documento

Data Sheet AD9670 FUNCTIONAL BLOCK DIAGRAM AVDD1 AVDD2 PDWN STBY DVDD DRVDD CWQ+ LO-A TO LO-H CWD AND I/Q CWQ– DEMODULATOR CWI+ LOSW-A TO LOSW-H CWI– LI-A TO LI-H 14-BIT DEMODULATOR/ DOUTA+ TO DOUTH+ LNA VGA SERIALIZER LVDS LG-A TO LG-H AAF ADC DECIMATOR DOUTA– TO DOUTH– AD9670 8 CHANNELS FCO+ SERIAL LO DATA REFERENCE NCO PORT FCO– GENERATION RATE INTERFACE MULTIPLIER DCO+ DCO– + + + B K + O O EF IN IN AS O3 IO L K K IG IG+ P DR4 CS ML ML VR R SD SC CL CL ESET ESET GA GA RBI G _TR _T R R O AD TX TX T O T O0 GP
001 41-
ADDR0
10 1 Figure 1. Rev. A | Page 3 of 52 Document Outline FEATURES APPLICATIONS GENERAL DESCRIPTION TABLE OF CONTENTS REVISION HISTORY FUNCTIONAL BLOCK DIAGRAM SPECIFICATIONS AC SPECIFICATIONS DIGITAL SPECIFICATIONS SWITCHING SPECIFICATIONS TIMING DIAGRAMS ADC Timing Diagram CW Timing Diagrams ABSOLUTE MAXIMUM RATINGS THERMAL IMPEDANCE ESD CAUTION PIN CONFIGURATION AND FUNCTION DESCRIPTIONS TYPICAL PERFORMANCE CHARACTERISTICS TGC MODE CHARACTERISTICS CW DOPPLER MODE CHARACTERISTICS THEORY OF OPERATION TGC OPERATION Low Noise Amplifier (LNA) Active Impedance Matching LNA Noise CLNA Connection DC Offset Correction/High-Pass Filter Variable Gain Amplifier (VGA) Gain Control VGA Noise Antialiasing Filter Antialiasing Filter/VGA Test Mode ADC Clock Input Considerations Clock Duty Cycle Considerations Clock Jitter Considerations Power Dissipation and Power-Down Mode Power and Ground Connection Recommendations Advanced Power Control Digital Outputs and Timing Output Zero Stuffing SDIO Pin SCLK Pin CSB Pin RBIAS Pin VREF Pin General-Purpose Output Pins Chip Address Pins ANALOG TEST SIGNAL GENERATION CW DOPPLER OPERATION Quadrature Generation I/Q Demodulator and Phase Shifter DIGITAL DEMODULATOR/DECIMATOR VECTOR PROFILE RF DECIMATOR DC Offset Calibration Multiband Antialiasing Filter and Decimate by 2 High-Pass Filter BASEBAND DEMODULATOR AND DECIMATOR Numerically Controlled Oscillator Decimation Filter Coefficient Memory DIGITAL TEST WAVEFORMS Waveform Generator Channel ID and Ramp Generator Filter Coefficients DIGITAL BLOCK POWER SAVING SCHEME SERIAL PORT INTERFACE (SPI) HARDWARE INTERFACE MEMORY MAP READING THE MEMORY MAP TABLE RESERVED LOCATIONS DEFAULT VALUES LOGIC LEVELS RECOMMENDED STARTUP SEQUENCE MEMORY MAP REGISTER DESCRIPTIONS Transfer (Register 0x0FF) Profile Index and Manual TX_TRIG (Register 0x10C) OUTLINE DIMENSIONS ORDERING GUIDE