Datasheet SZPL8216A (Silanna) - 3

FabricanteSilanna
Descripción16V, 12A, High Frequency Synchronous Buck Converter
Páginas / Página4 / 3 — PRODUCT BRIEF. SZPL8216A. Functional Block Diagram. Figure 4: Functional …
Formato / tamaño de archivoPDF / 252 Kb
Idioma del documentoInglés

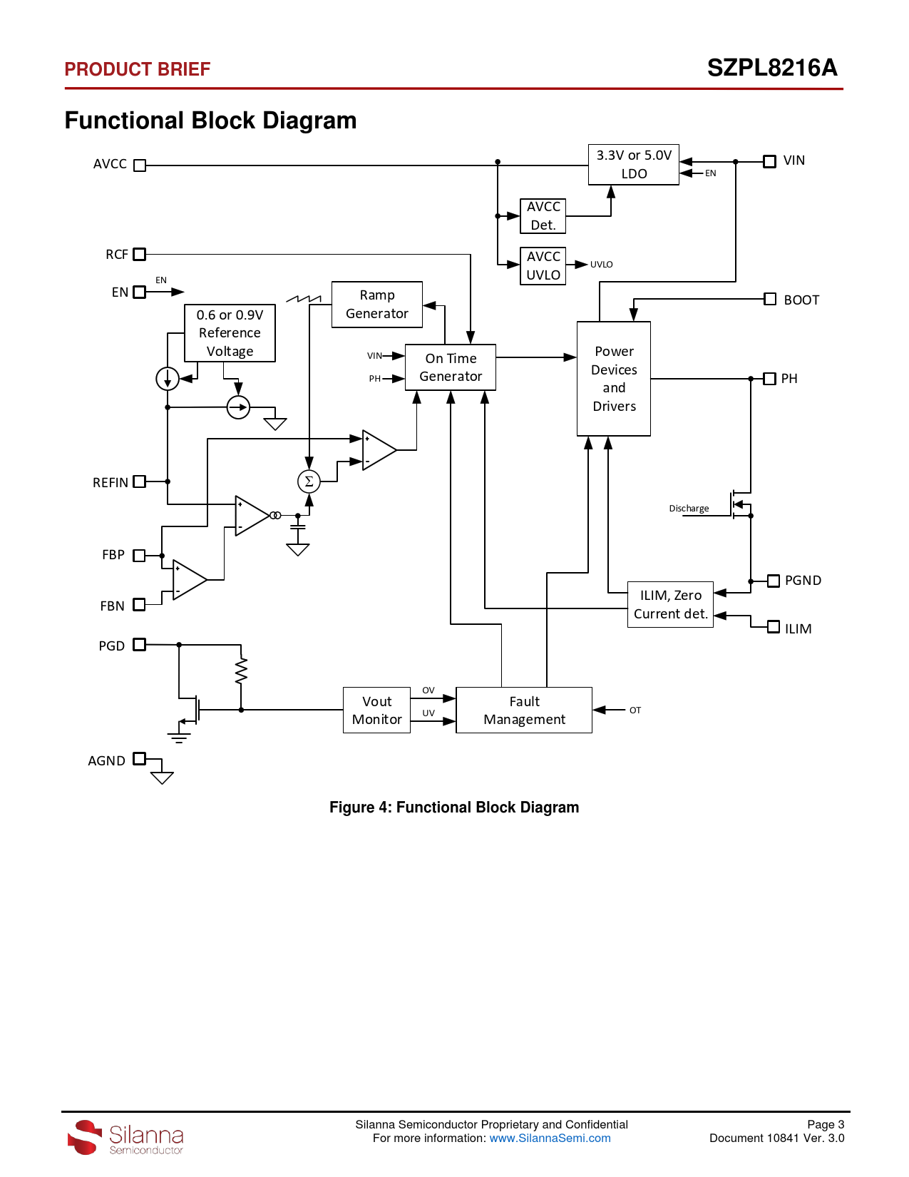
PRODUCT BRIEF. SZPL8216A. Functional Block Diagram. Figure 4: Functional Block Diagram

PRODUCT BRIEF SZPL8216A Functional Block Diagram Figure 4: Functional Block Diagram

Línea de modelo para esta hoja de datos

Versión de texto del documento

PRODUCT BRIEF SZPL8216A Functional Block Diagram
3.3V or 5.0V AVCC VIN LDO EN AVCC Det. RCF AVCC UVLO UVLO EN EN Ramp BOOT 0.6 or 0.9V Generator Reference Voltage VIN Power On Time Devices PH Generator PH and Drivers REFIN S Discharge FBP PGND ILIM, Zero FBN Current det. ILIM PGD OV Vout Fault Monitor UV OT Management AGND
Figure 4: Functional Block Diagram
Silanna Semiconductor Proprietary and Confidential Page 3 For more information: www.SilannaSemi.com Document 10841 Ver. 3.0