Datasheet XC9268 (Torex) - 2

FabricanteTorex
Descripción36V Operation 0.6A Synchronous Step-Down DC/DC Converters
Páginas / Página29 / 2 — XC9268. Series. Series Series Series
Formato / tamaño de archivoPDF / 1.7 Mb
Idioma del documentoInglés

XC9268. Series. Series Series Series

XC9268 Series Series Series Series

Línea de modelo para esta hoja de datos

Versión de texto del documento

XC9268 Series Series Series Series Series
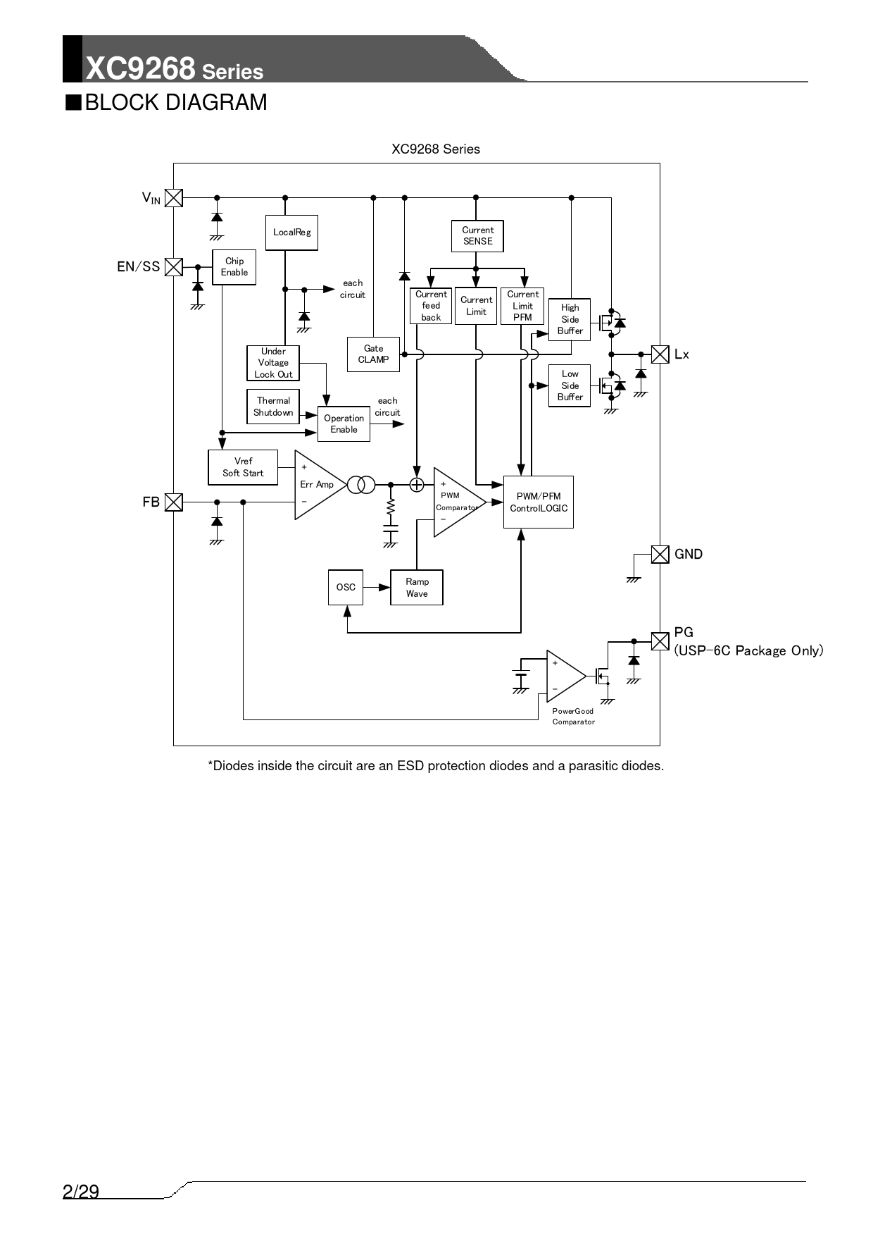
■ BLOCK DIAGRAM XC9268 Series VIN LocalReg Current SENSE EN/SS Chip Enable each circuit Curr ent Current Current fee d Limit Limit High back PFM Side Buffer Under Gate Lx Voltage CLAMP Lock Out Low Side Thermal each Buffer Shutdown circuit Operation Enable Vref + Soft Start Err Amp +PWM PWM/PFM FB - Comparator ControlLOGIC - GND Ramp OSC Wave PG (USP-6C Package Only) + - PowerGood Comparator *Diodes inside the circuit are an ESD protection diodes and a parasitic diodes. 2/29