Datasheet XDPL8210 (Infineon) - 2
| Fabricante | Infineon |
| Descripción | Digital Flyback Controller IC |
| Páginas / Página | 50 / 2 — XDPL8210 Digital Flyback Controller IC. XDP™ Digital Power. Potential … |
| Revisión | 01_00 |
| Formato / tamaño de archivo | PDF / 699 Kb |
| Idioma del documento | Inglés |
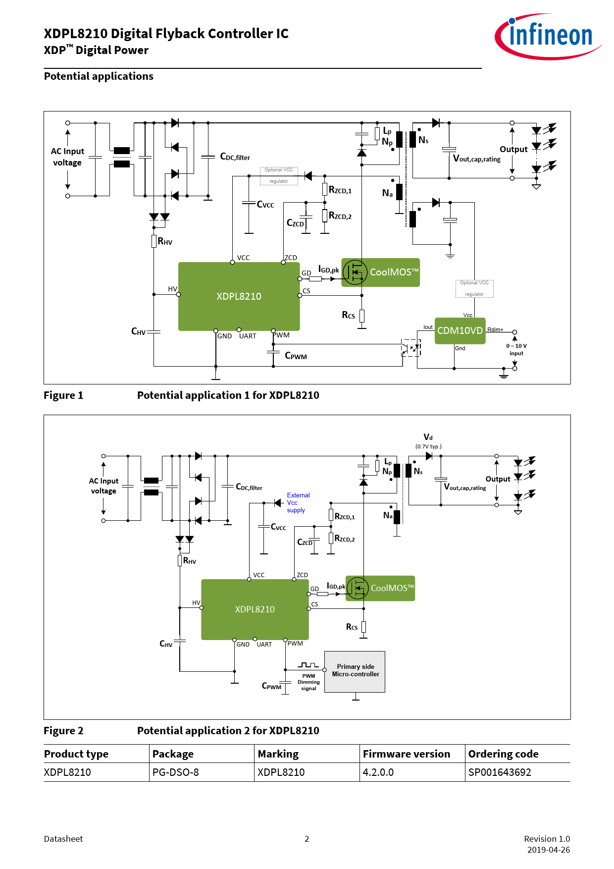
XDPL8210 Digital Flyback Controller IC. XDP™ Digital Power. Potential applications. AC Input. Output. voltage. DC,filter

Línea de modelo para esta hoja de datos
Versión de texto del documento
XDPL8210 Digital Flyback Controller IC XDP™ Digital Power Potential applications Lp Np Ns AC Input Output C voltage DC,filter Vout,cap,rating
Optional VCC regulator
RZCD,1 Na CVCC R C ZCD,2 ZCD RHV
VCC ZCD GD
IGD,pk
CoolMOS™ Optional VCC HV XDPL8210 CS regulator Vcc
RCS
Iout Rdim+
CHV
CDM10VD GND UART PWM
0 – 10 V
Gnd
input CPWM Figure 1 Potential application 1 for XDPL8210 Vd
(0.7V typ.)
Lp Np Ns AC Input Output Vout,cap,rating voltage CDC,filter
External Vcc supply
RZCD,1 Na CVCC RZCD,2 CZCD RHV
VCC ZCD GD
IGD,pk
CoolMOS™ HV XDPL8210 CS
RCS CHV
GND UART PWM
Primary side Micro-controller PWM Dimming CPWM signal Figure 2 Potential application 2 for XDPL8210 Product type Package Marking Firmware version Ordering code
XDPL8210 PG-DSO-8 XDPL8210 4.2.0.0 SP001643692 Datasheet 2 Revision 1.0 2019-04-26 Document Outline Features Product validation Potential applications Description Table of contents 1 Pin configuration 2 Functional block diagram 3 Functional description 3.1 Regulated mode 3.1.1 Constant current and limited power set-point 3.1.2 Multimode operation 3.1.3 Control loop initialization 3.2 Configurable gate voltage rising slope at GD pin 3.3 Startup 3.4 Line synchronization 3.5 Input voltage, output voltage and output current estimation 3.5.1 Input voltage estimation 3.5.2 Output voltage estimation 3.5.3 Output current estimation 3.6 Power factor correction 3.7 Dimming control 3.8 Protection features 3.8.1 Primary MOSFET overcurrent protection 3.8.2 Output undervoltage protection 3.8.3 Output overvoltage protection 3.8.4 Transformer demagnetization time shortage protection 3.8.5 Regulated mode peak output overcurrent protection 3.8.6 Minimum input voltage startup check and input undervoltage protection 3.8.7 Maximum input voltage startup check and input overvoltage protection 3.8.8 VCC undervoltage lockout 3.8.9 VCC overvoltage protection 3.8.10 IC overtemperature protection 3.8.11 Other protections 3.8.12 Protection reactions 4 Debug mode 5 List of Parameters 6 Electrical Characteristics and Parameters 6.1 Package Characteristics 6.2 Absolute Maximum Ratings 6.3 Operating conditions 6.4 DC Electrical characteristics 7 Package Dimensions 8 References Revision History Glossary ABM CC CRC DCM ECG EMI FB GUI IC LED LP MCU PC PF PFC PWM QRM1 THD UART USB UVLO Disclaimer