Datasheet CD4538BC (Fairchild) - 2
| Fabricante | Fairchild |
| Descripción | Dual Precision Monostable |
| Páginas / Página | 12 / 2 — Block Diagram. 38BC 45 D C. Logic Diagram. FIGURE 1 |
| Formato / tamaño de archivo | PDF / 140 Kb |
| Idioma del documento | Inglés |
Block Diagram. 38BC 45 D C. Logic Diagram. FIGURE 1

Línea de modelo para esta hoja de datos
Versión de texto del documento
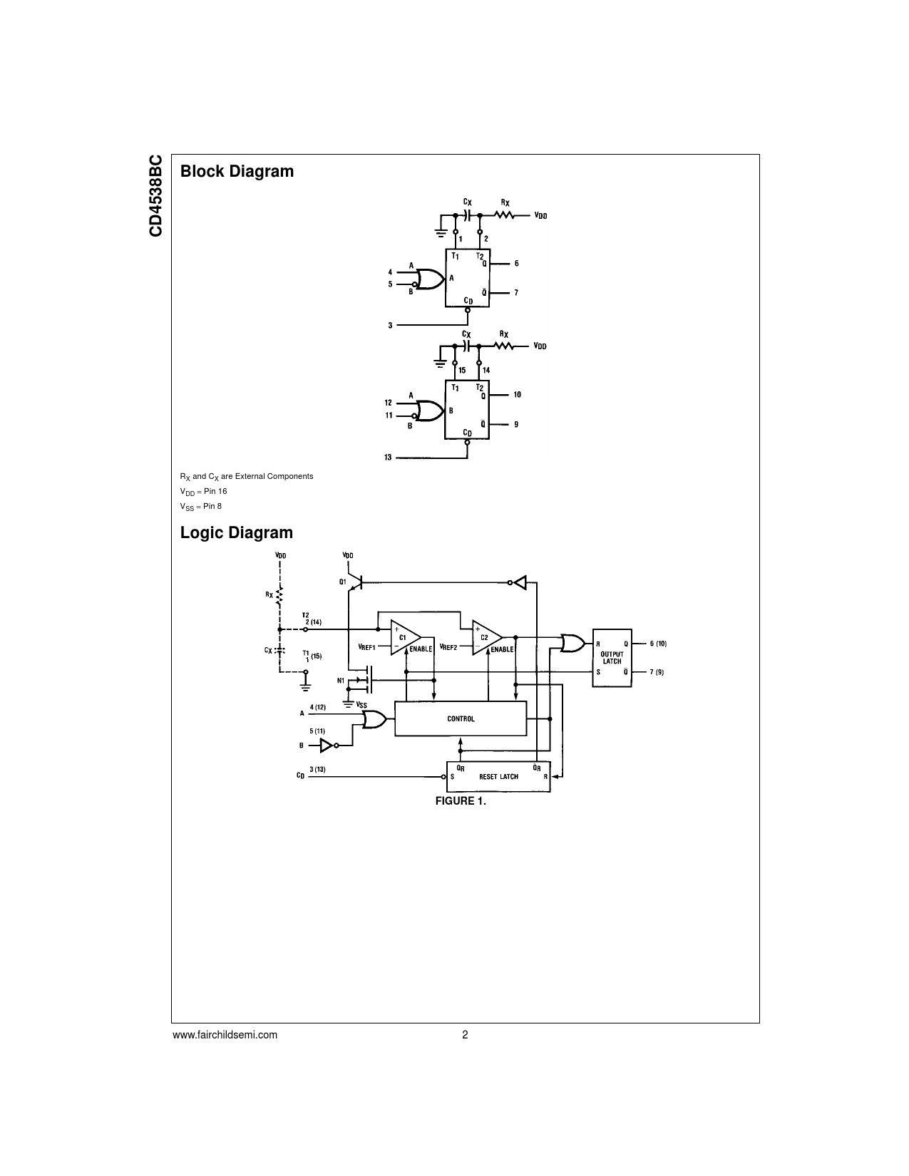
Block Diagram 38BC 45 D C
RX and CX are External Components VDD = Pin 16 VSS = Pin 8
Logic Diagram FIGURE 1.
www.fairchildsemi.com 2