2ED2109 (4) S06F (J) (Infineon) - 4
| Fabricante | Infineon |
| Descripción | 650 V half bridge gate driver with integrated bootstrap diode |
| Páginas / Página | 25 / 4 — DETECT. 2ED2109S06F. Pulse. R Q. Filter. VSS/COM. IN 2. LEVEL. SHIFT. … |
| Revisión | 02_00 |
| Formato / tamaño de archivo | PDF / 961 Kb |
| Idioma del documento | Inglés |
DETECT. 2ED2109S06F. Pulse. R Q. Filter. VSS/COM. IN 2. LEVEL. SHIFT. Generator. 1 VCC. Deadtime. +5V. Delay. 5 LO. Match. 4 COM. 13 VB. 2ED21094S06J. 11 VS

Línea de modelo para esta hoja de datos
Versión de texto del documento
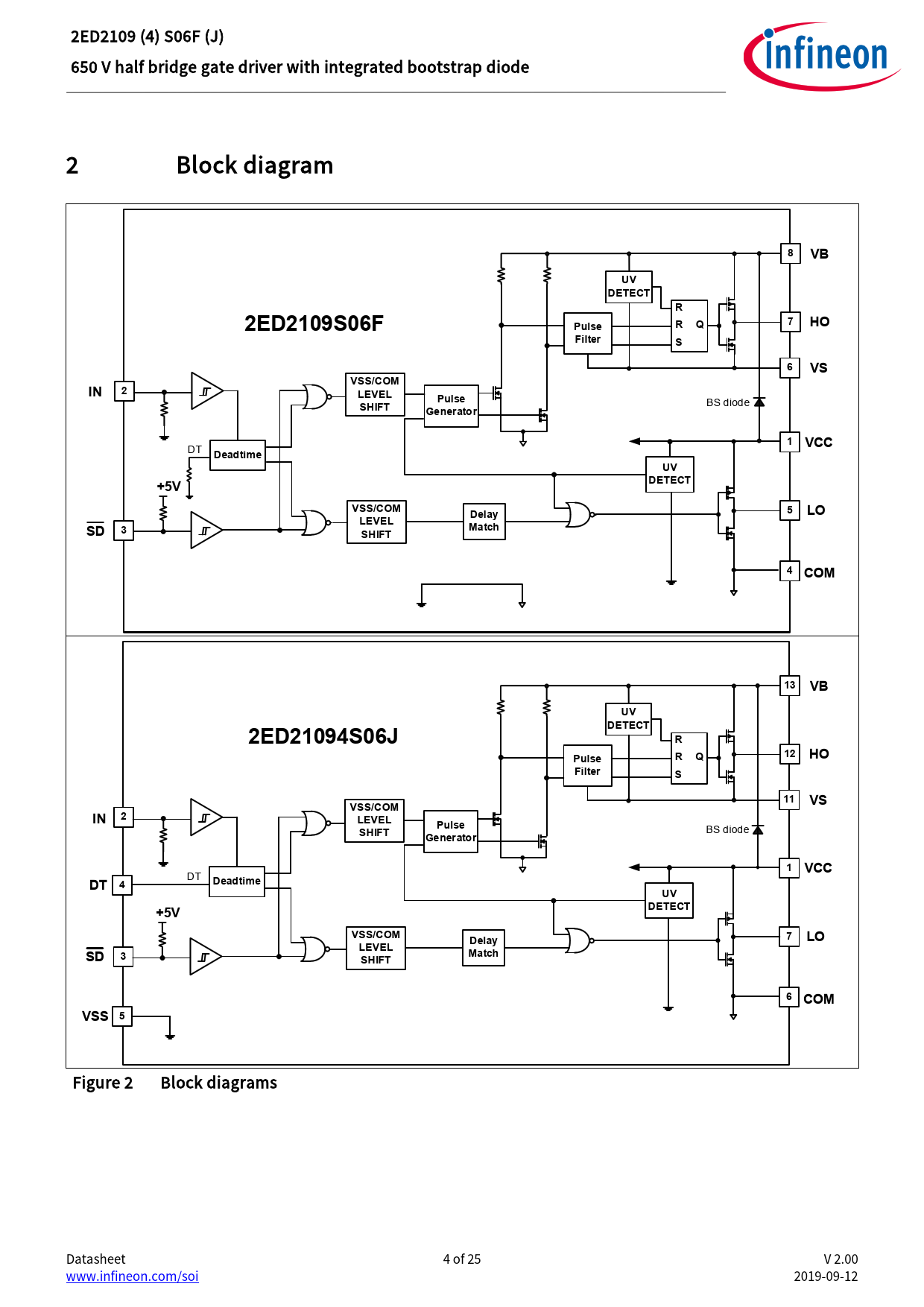
2ED2109 (4) S06F (J) 650 V half bridge gate driver with integrated bootstrap diode 2 Block diagram
8 VB UV DETECT R 7 2ED2109S06F Pulse R Q HO Filter S 6 VS VSS/COM IN 2 LEVEL Pulse SHIFT
BS diode
Generator 1 VCC
DT
Deadtime UV DETECT +5V VSS/COM Delay 5 LO SD LEVEL 3 Match SHIFT 4 COM 13 VB UV DETECT 2ED21094S06J R 12 Pulse R Q HO Filter S 11 VS VSS/COM 2 IN LEVEL Pulse SHIFT
BS diode
Generator 1 VCC DT
DT
4 Deadtime UV DETECT +5V VSS/COM Delay 7 LO SD LEVEL 3 Match SHIFT 6 COM VSS 5
Figure 2 Block diagrams Datasheet 4 of 25 V 2.00 www.infineon.com/soi 2019-09-12 Document Outline Features Product summary Potential applications Product validation Ordering information Description 1 Table of contents 2 Block diagram 3 Pin configuration and functionality 3.1 Pin configuration 3.2 Pin functionality 4 Electrical parameters 4.1 Absolute maximum ratings 4.2 Recommended operating conditions 4.3 Static electrical characteristics 4.4 Dynamic electrical characteristics 5 Application information and additional details 5.1 IGBT / MOSFET gate drive 5.2 Switching and timing relationships 5.3 Deadtime 5.4 Matched propagation delays 5.5 Enable or shutdown input 5.6 Input logic compatibility 5.7 Undervoltage lockout 5.8 Bootstrap diode 5.9 Calculating the bootstrap capacitance CBS 5.10 Tolerant to negative tranisents on input pins 5.11 Negative voltage transient tolerance of VS pin 5.12 NTSOA – Negative Transient Safe Operating Area 5.13 Higher headroom for input to output signal transmission with logic operation upto -11 V 5.14 Maximum switching frequency 5.15 PCB layout tips 6 Qualification information0F 7 Related products 8 Package details 9 Part marking information 10 Additional documentation and resources 10.1 Infineon online forum resources 11 Revision history