Datasheet SID1181KQ SCALE-iDriver (Power Integrations) - 2

FabricantePower Integrations
DescripciónUp to 8 A Single Channel 600 V / 650 V / 750 V IGBT/MOSFET Gate Drivers for Automotive Applications Providing Reinforced Galvanic Isolation
Páginas / Página22 / 2 — SID1181KQ. VCE. VGXX. SHORT-CIRCUIT. BOOTSTRAP. VISO. DETECTION. CHARGE …
Formato / tamaño de archivoPDF / 1.5 Mb
Idioma del documentoInglés

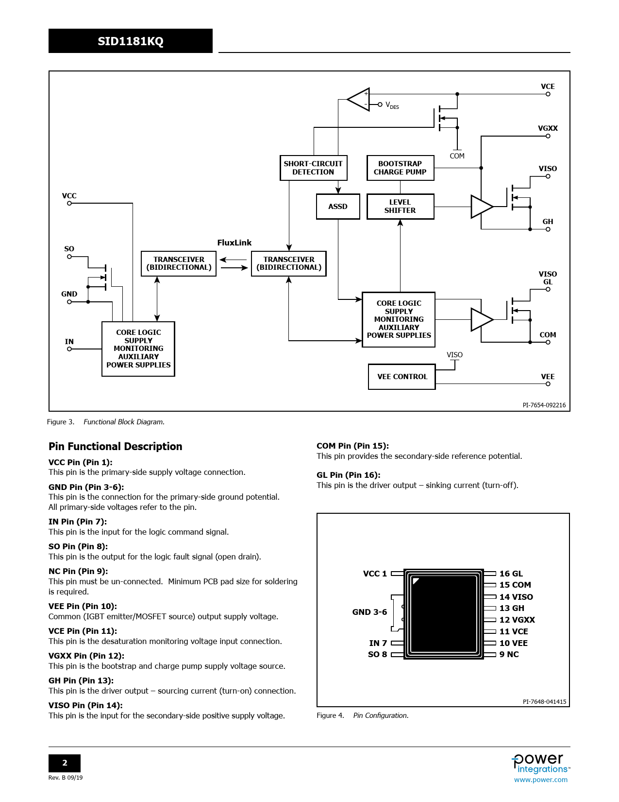
SID1181KQ. VCE. VGXX. SHORT-CIRCUIT. BOOTSTRAP. VISO. DETECTION. CHARGE PUMP. VCC. LEVEL. ASSD. SHIFTER. FluxLink. TRANSCEIVER. (BIDIRECTIONAL). GND

SID1181KQ VCE VGXX SHORT-CIRCUIT BOOTSTRAP VISO DETECTION CHARGE PUMP VCC LEVEL ASSD SHIFTER FluxLink TRANSCEIVER (BIDIRECTIONAL) GND

Línea de modelo para esta hoja de datos

Versión de texto del documento

SID1181KQ VCE
+ VDES
VGXX
COM
SHORT-CIRCUIT BOOTSTRAP VISO DETECTION CHARGE PUMP VCC LEVEL ASSD SHIFTER GH FluxLink SO TRANSCEIVER TRANSCEIVER (BIDIRECTIONAL) (BIDIRECTIONAL) VISO GL GND CORE LOGIC SUPPLY MONITORING AUXILIARY CORE LOGIC POWER SUPPLIES COM IN SUPPLY MONITORING
VISO
AUXILIARY POWER SUPPLIES VEE CONTROL VEE
PI-7654-092216 Figure 3. Functional Block Diagram.
Pin Functional Description COM Pin (Pin 15):
This pin provides the secondary-side reference potential.
VCC Pin (Pin 1):
This pin is the primary-side supply voltage connection.
GL Pin (Pin 16): GND Pin (Pin 3-6):
This pin is the driver output – sinking current (turn-off). This pin is the connection for the primary-side ground potential. Al primary-side voltages refer to the pin.
IN Pin (Pin 7):
This pin is the input for the logic command signal.
SO Pin (Pin 8):
This pin is the output for the logic fault signal (open drain).
NC Pin (Pin 9): VCC 1 16 GL
This pin must be un-connected. Minimum PCB pad size for soldering
15 COM
is required.
14 VISO VEE Pin (Pin 10): 13 GH GND 3-6
Common (IGBT emitter/MOSFET source) output supply voltage.
12 VGXX VCE Pin (Pin 11): 11 VCE
This pin is the desaturation monitoring voltage input connection.
IN 7 10 VEE VGXX Pin (Pin 12): SO 8 9 NC
This pin is the bootstrap and charge pump supply voltage source.
GH Pin (Pin 13):
This pin is the driver output – sourcing current (turn-on) connection. PI-7648-041415
VISO Pin (Pin 14):
This pin is the input for the secondary-side positive supply voltage. Figure 4. Pin Configuration.
2
Rev. B 09/19 www.power.com Document Outline Product Highlights Description Product Portfolio Pin Functional Description SCALE-iDriver Functional Description Application Examples and Components Selection Power Dissipation and IC Junction Temperature Estimation Absolute Maximum Ratings Thermal Resistance Key Electrical Characteristics Typical Performance Characteristics eSOP-R16B Package Drawing MSL Table ESD and Latch-Up Table IEC 60664-1 Rating Table Electrical Characteristics (EMI) Table Regulatory Information Table Part Ordering Information