Datasheet AK9703AJ (Asahi Kasei Microdevices) - 7
| Fabricante | Asahi Kasei Microdevices |
| Descripción | IR LED for NDIR Gas Sensing |
| Páginas / Página | 11 / 7 — 10. Recommended External Circuits |
| Formato / tamaño de archivo | PDF / 703 Kb |
| Idioma del documento | Inglés |
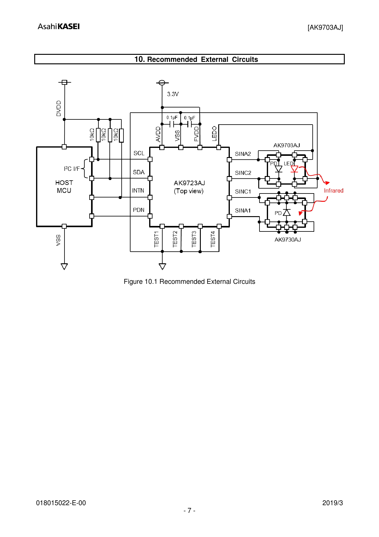
10. Recommended External Circuits

Línea de modelo para esta hoja de datos
Versión de texto del documento
[AK9703AJ]
10. Recommended External Circuits
Figure 10.1 Recommended External Circuits 018015022-E-00 2019/3 - 7 -