Datasheet TIP31C (STMicroelectronics) - 8
| Fabricante | STMicroelectronics |
| Descripción | Power transistors |
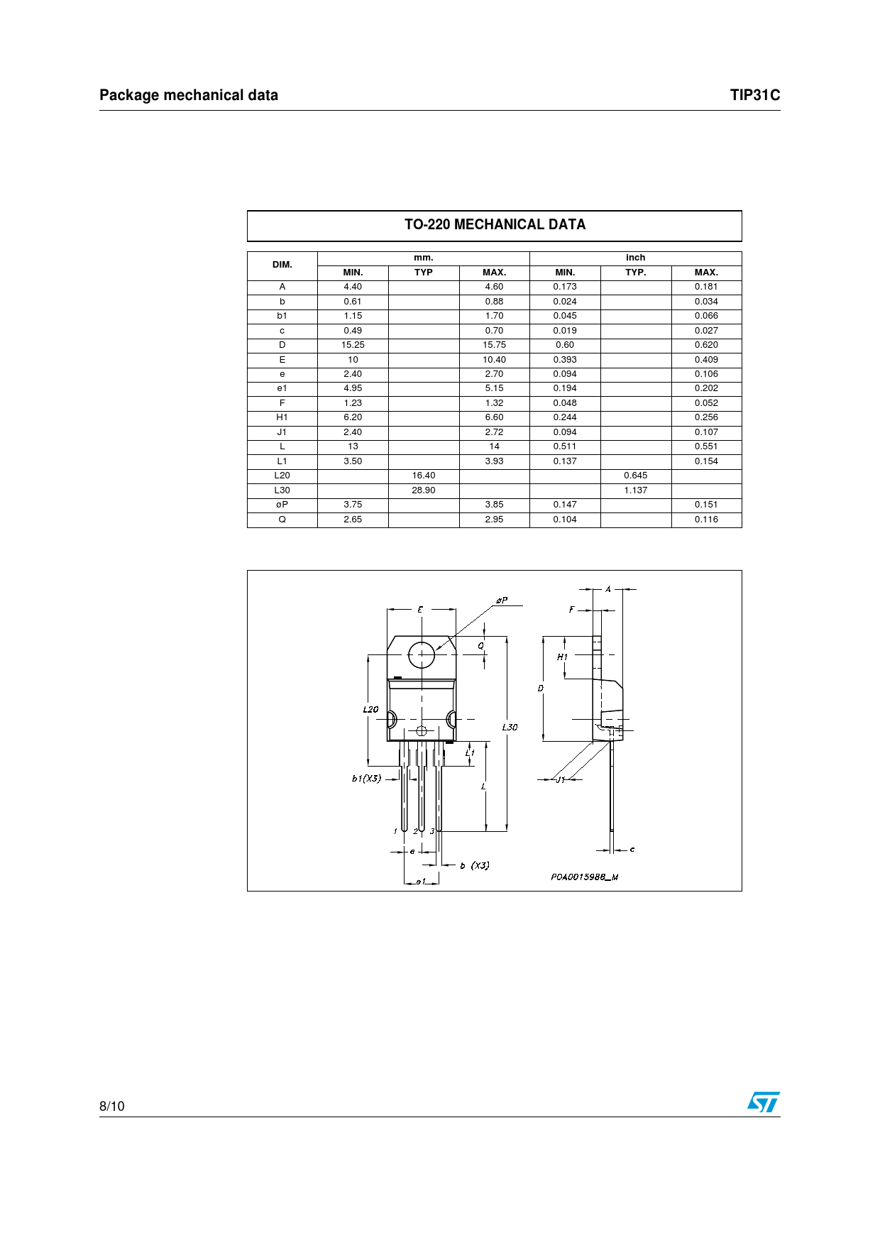
| Páginas / Página | 10 / 8 — Package mechanical data. TIP31C. TO-220 MECHANICAL DATA. mm. inch. DIM. … |
| Formato / tamaño de archivo | PDF / 140 Kb |
| Idioma del documento | Inglés |
Package mechanical data. TIP31C. TO-220 MECHANICAL DATA. mm. inch. DIM. MIN. TYP. MAX. TYP

Línea de modelo para esta hoja de datos
Versión de texto del documento
Package mechanical data TIP31C TO-220 MECHANICAL DATA mm. inch DIM. MIN. TYP MAX. MIN. TYP. MAX.
A 4.40 4.60 0.173 0.181 b 0.61 0.88 0.024 0.034 b1 1.15 1.70 0.045 0.066 c 0.49 0.70 0.019 0.027 D 15.25 15.75 0.60 0.620 E 10 10.40 0.393 0.409 e 2.40 2.70 0.094 0.106 e1 4.95 5.15 0.194 0.202 F 1.23 1.32 0.048 0.052 H1 6.20 6.60 0.244 0.256 J1 2.40 2.72 0.094 0.107 L 13 14 0.511 0.551 L1 3.50 3.93 0.137 0.154 L20 16.40 0.645 L30 28.90 1.137 øP 3.75 3.85 0.147 0.151 Q 2.65 2.95 0.104 0.116 8/10