Datasheet AOZ6762DI (Alpha & Omega) - 4
| Fabricante | Alpha & Omega |
| Descripción | 2A 1.25MHz Synchronous EZBuck Regulator |
| Páginas / Página | 14 / 4 — AOZ6762DI. Functional Block Diagram. www.aosmd.com |
| Formato / tamaño de archivo | PDF / 905 Kb |
| Idioma del documento | Inglés |
AOZ6762DI. Functional Block Diagram. www.aosmd.com

Línea de modelo para esta hoja de datos
Versión de texto del documento
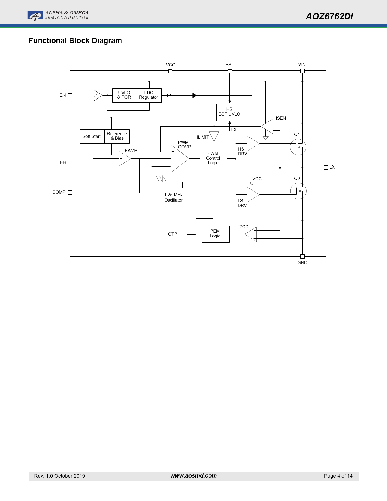
AOZ6762DI Functional Block Diagram
VCC BST VIN UVLO LDO EN & POR Regulator HS BST UVLO ISEN LX Reference Q1 Soft Start & Bias ILIMIT PWM COMP EAMP HS PWM DRV Control FB Logic LX VCC Q2 COMP 1.25 MHz Oscillator LS DRV ZCD PEM OTP Logic GND Rev. 1.0 October 2019
www.aosmd.com
Page 4 of 14