Datasheet AP61100Q, AP61102Q (Diodes) - 4
| Fabricante | Diodes |
| Descripción | Automotive, 2.3V To 5.5V Input, 1A Low Iq Synchronous Buck Converter |
| Páginas / Página | 22 / 4 — AP61100Q/AP61102Q. Functional Block Diagram. MODE. VIN. Control. … |
| Formato / tamaño de archivo | PDF / 1.6 Mb |
| Idioma del documento | Inglés |
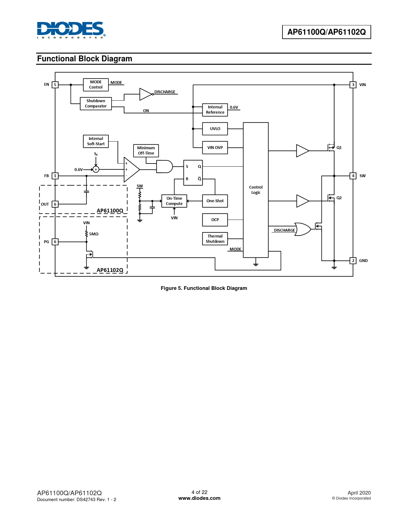
AP61100Q/AP61102Q. Functional Block Diagram. MODE. VIN. Control. DISCHARGE. Shutdown. Comparator. Internal. 0.6V. Reference. UVLO. Soft-Start

Línea de modelo para esta hoja de datos
Versión de texto del documento
AP61100Q/AP61102Q Functional Block Diagram MODE EN 5 MODE 3 VIN Control DISCHARGE Shutdown Comparator Internal 0.6V ON Reference UVLO Internal Soft-Start Minimum VIN OVP Q1 S Off-Time E + S Q 0.6V + + FB 1 - 4 SW R Q SW Control Logic On-Time Q2 One-Shot OUT 6 Compute AP61100Q VIN OCP VIN DISCHARGE 5MΩ Thermal PG 6 Shutdown MODE 2 GND AP61102Q Figure 5. Functional Block Diagram
AP61100Q/AP61102Q 4 of 22 April 2020 Document number: DS42743 Rev. 1 - 2
www.diodes.com
© Diodes Incorporated