Datasheet ADN8831 (Analog Devices) - 3
| Fabricante | Analog Devices |
| Descripción | A High Efficiency TEC Controller Solution |
| Páginas / Página | 18 / 3 — Data Sheet. ADN8831. DETAILED BLOCK DIAGRAM. ILIMH. VLIM. VTEC. ITEC. LFB … |
| Revisión | C |
| Formato / tamaño de archivo | PDF / 465 Kb |
| Idioma del documento | Inglés |
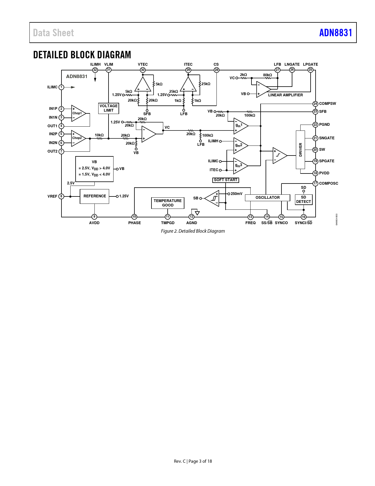
Data Sheet. ADN8831. DETAILED BLOCK DIAGRAM. ILIMH. VLIM. VTEC. ITEC. LFB LNGATE LPGATE. 2kΩ. 80kΩ. 5kΩ. 25kΩ. ILIMC 1. 1.25V. LINEAR AMPLIFIER. 20kΩ

Línea de modelo para esta hoja de datos
Versión de texto del documento
Data Sheet ADN8831 DETAILED BLOCK DIAGRAM ILIMH VLIM VTEC ITEC CS LFB LNGATE LPGATE 32 31 30 29 28 27 26 25 ADN8831 2kΩ 80kΩ VC 5kΩ 25kΩ ILIMC 1 5kΩ 25kΩ VB 1.25V 1.25V LINEAR AMPLIFIER 20kΩ 20kΩ 1kΩ 1kΩ 24 COMPSW VOLTAGE IN1P 2 LIMIT VB 23 SFB Chop1 SFB LFB 20kΩ 100kΩ IN1N 3 20kΩ 1.25V OUT1 22 g PGND 4 20kΩ m1 VC IN2P 5 10kΩ 20kΩ 20kΩ 100kΩ Chop2 21 SNGATE IN2N ILIMH 6 20kΩ LFB g R m2 E V OUT2 20 SW 7 VB DRI ILIMC 19 SPGATE VB gm3 = 2.5V, VDD > 4.0V VB ITEC 18 PVDD = 1.5V, VDD < 4.0V SOFT START 2.5V 17 COMPOSC SD 250mV VREF 8 REFERENCE 1.25V SB OSCILLATOR SD TEMPERATURE DETECT GOOD 9 10 11 12 13 14 15 16
003
AVDD PHASE TMPGD AGND FREQ SS/SB SYNCO SYNCI/SD
04663- Figure 2. Detailed Block Diagram Rev. C | Page 3 of 18 Document Outline FEATURES APPLICATIONS GENERAL DESCRIPTION FUNCTIONAL BLOCK DIAGRAM REVISION HISTORY DETAILED BLOCK DIAGRAM SPECIFICATIONS ELECTRICAL CHARACTERISTICS ABSOLUTE MAXIMUM RATINGS THERMAL CHARACTERISTICS ESD CAUTION PIN CONFIGURATION AND FUNCTION DESCRIPTIONS TYPICAL PERFORMANCE CHARACTERISTICS THEORY OF OPERATION OSCILLATOR CLOCK FREQUENCY Free-Run Operation External Clock Operation Connecting Multiple ADN8831 Devices OSCILLATOR CLOCK PHASE TEMPERATURE LOCK INDICATOR SOFT START ON POWER-UP SHUTDOWN MODE STANDBY MODE TEC VOLTAGE/CURRENT MONITOR Voltage Monitor Current Monitor MAXIMUM TEC VOLTAGE LIMIT Using a DAC Using a Resistor Divider MAXIMUM TEC CURRENT LIMIT APPLICATIONS INFORMATION SIGNAL FLOW THERMISTOR SETUP THERMISTOR AMPLIFIER (Chop1) PID COMPENSATION AMPLIFIER (Chop2) MOSFET DRIVER AMPLIFIER OUTLINE DIMENSIONS ORDERING GUIDE