Datasheet RV1S9353A (Renesas) - 9
| Fabricante | Renesas |
| Descripción | Optically Isolated Delta-Sigma Modulator |
| Páginas / Página | 20 / 9 — RV1S9353A. Chapter. Title. +. -. Vos,. INL,. DNL,. GE,. SNR,. SNDR,. … |
| Formato / tamaño de archivo | PDF / 1.8 Mb |
| Idioma del documento | Inglés |
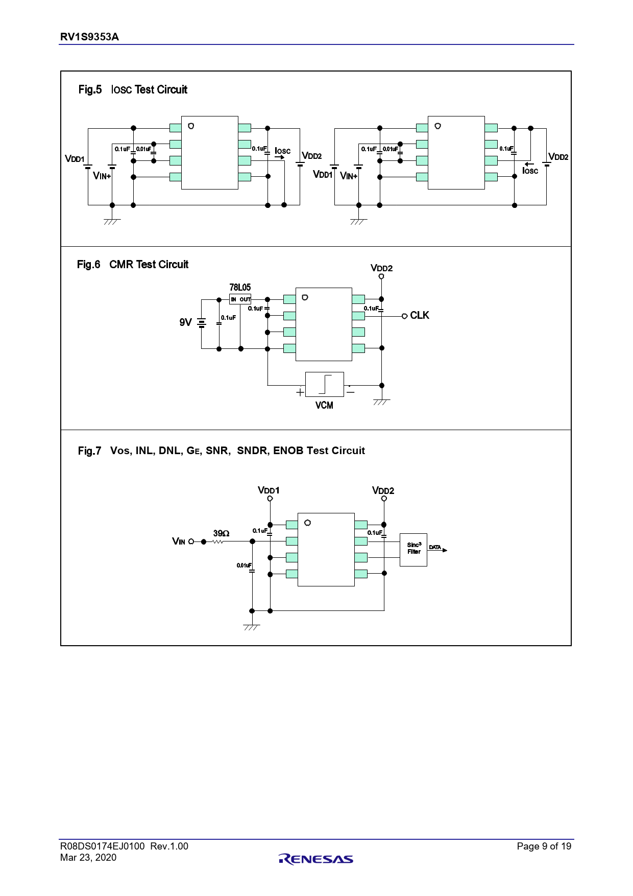
RV1S9353A. Chapter. Title. +. -. Vos,. INL,. DNL,. GE,. SNR,. SNDR,. ENOB. Test. Circuit. R08DS0174EJ0100. Rev.1.00. Page. 9. of. 19. Mar. 23,. 2020

Línea de modelo para esta hoja de datos
Versión de texto del documento
RV1S9353A Chapter Title + - Vos, INL, DNL, GE, SNR, SNDR, ENOB Test Circuit R08DS0174EJ0100 Rev.1.00 Page 9 of 19 Mar 23, 2020