Manual CH330 (Nanjing Qinheng Microelectronics) - 3

FabricanteNanjing Qinheng Microelectronics
DescripciónUSB to serial chip CH330
Páginas / Página3 / 3
Formato / tamaño de archivoPDF / 160 Kb
Idioma del documentoInglés

Manual CH330 Nanjing Qinheng Microelectronics Página 3

Línea de modelo para esta hoja de datos

Versión de texto del documento

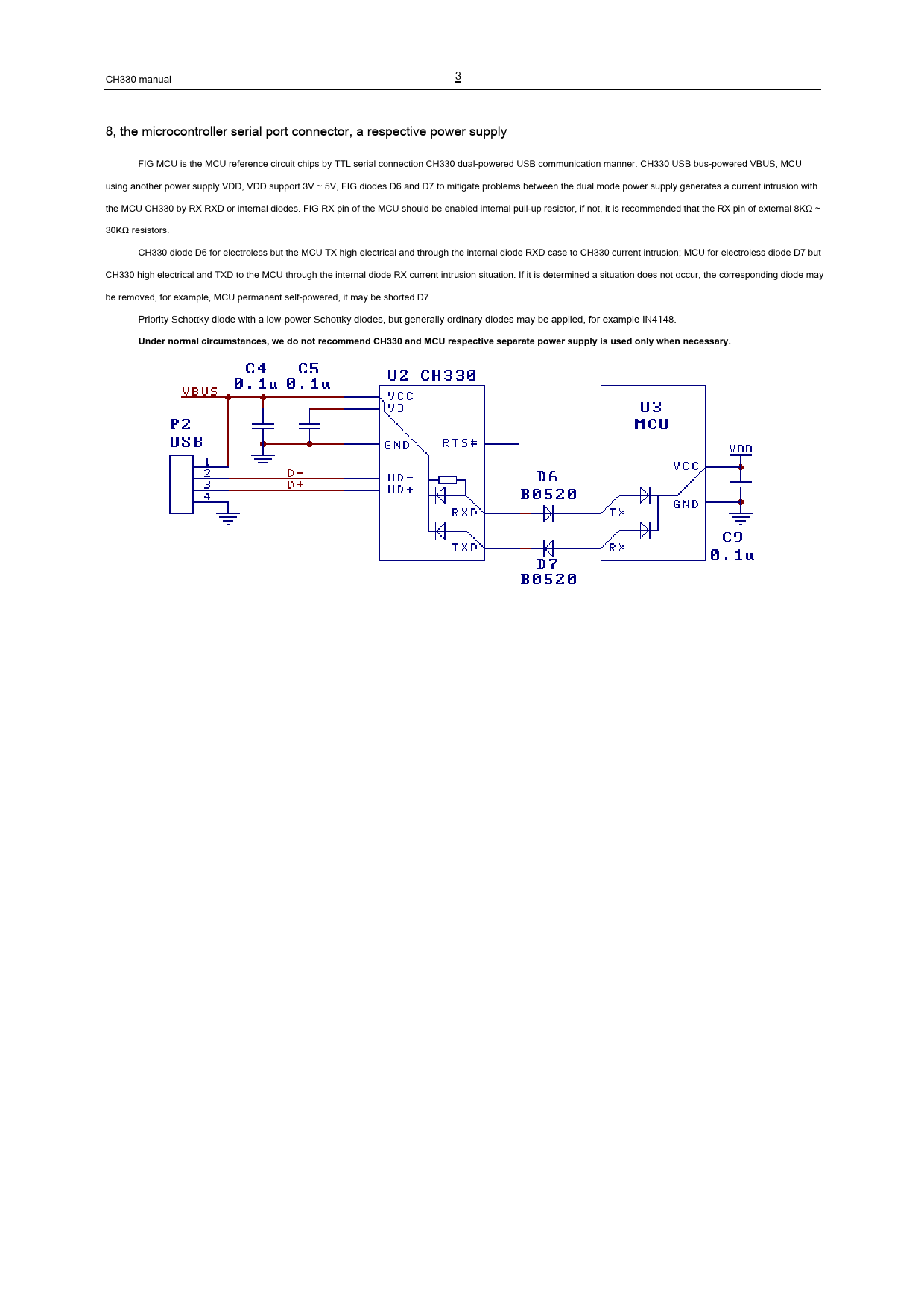
CH330 manual 3 8, the microcontroller serial port connector, a respective power supply FIG MCU is the MCU reference circuit chips by TTL serial connection CH330 dual-powered USB communication manner. CH330 USB bus-powered VBUS, MCU using another power supply VDD, VDD support 3V ~ 5V, FIG diodes D6 and D7 to mitigate problems between the dual mode power supply generates a current intrusion with the MCU CH330 by RX RXD or internal diodes. FIG RX pin of the MCU should be enabled internal pull-up resistor, if not, it is recommended that the RX pin of external 8KΩ ~ 30KΩ resistors. CH330 diode D6 for electroless but the MCU TX high electrical and through the internal diode RXD case to CH330 current intrusion; MCU for electroless diode D7 but CH330 high electrical and TXD to the MCU through the internal diode RX current intrusion situation. If it is determined a situation does not occur, the corresponding diode may be removed, for example, MCU permanent self-powered, it may be shorted D7. Priority Schottky diode with a low-power Schottky diodes, but generally ordinary diodes may be applied, for example IN4148.
Under normal circumstances, we do not recommend CH330 and MCU respective separate power supply is used only when necessary.
Document Outline 1、概述 2、特点 3、封装 4、引脚 5、功能说明 6、参数 6.1. 绝对最大值 6.2. 电气参数 7、USB转RS232串口应用 8、连接单片机串口,各自供电