Datasheet AOZ5312NQI (Alpha & Omega) - 4
| Fabricante | Alpha & Omega |
| Descripción | High-Current, High-Performance DrMOS Power Module |
| Páginas / Página | 17 / 4 — AOZ5312NQI. Functional Block Diagram. www.aosmd.com |
| Formato / tamaño de archivo | PDF / 2.6 Mb |
| Idioma del documento | Inglés |
AOZ5312NQI. Functional Block Diagram. www.aosmd.com

Línea de modelo para esta hoja de datos
Versión de texto del documento
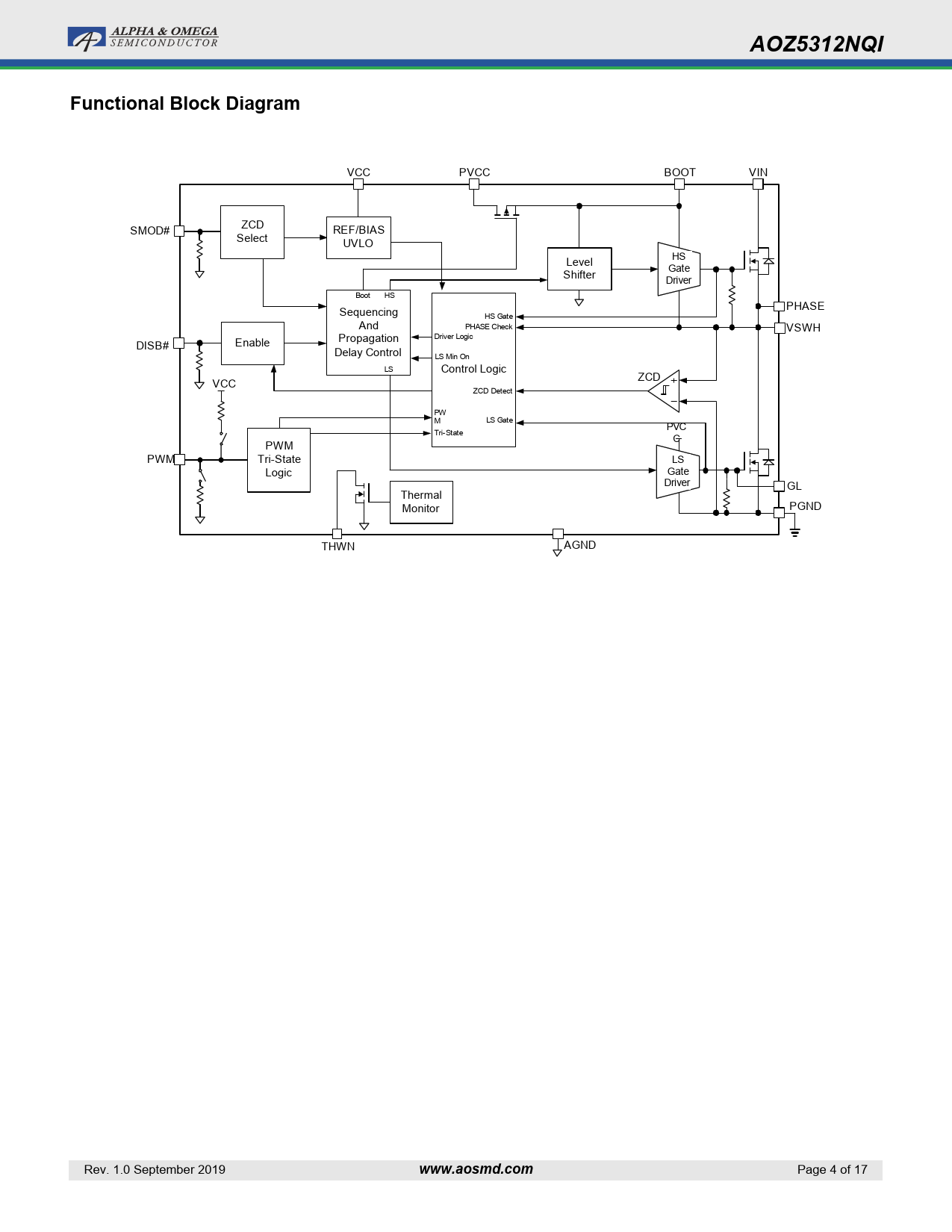
AOZ5312NQI Functional Block Diagram
VCC PVCC BOOT VIN ZCD SMOD# REF/BIAS Select UVLO Level HS Shifter Gate Driver Boot HS Sequencing PHASE HS Gate And PHASE Check VSWH Enable Propagation Driver Logic DISB# Delay Control LS Min On LS Control Logic VCC ZCD ZCD Detect PW M LS Gate PVC Tri-State C PWM PWM Tri-State LS Logic Gate Driver GL Thermal Monitor PGND THWN AGND Rev. 1.0 September 2019
www.aosmd.com
Page 4 of 17