Datasheet LTC7802 (Analog Devices) - 10
| Fabricante | Analog Devices |
| Descripción | 40V Low IQ, 3MHz Dual, 2-Phase Synchronous Step-Down Controller with Spread Spectrum |
| Páginas / Página | 34 / 10 — FUNCTIONAL DIAGRAM |
| Formato / tamaño de archivo | PDF / 3.1 Mb |
| Idioma del documento | Inglés |
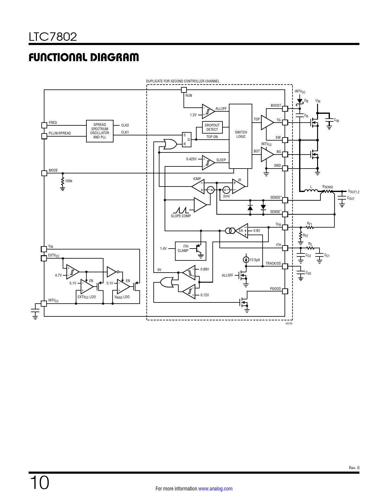
FUNCTIONAL DIAGRAM

Línea de modelo para esta hoja de datos
Versión de texto del documento
LTC7802
FUNCTIONAL DIAGRAM
DUPLICATE FOR SECOND CONTROLLER CHANNEL INTVCC RUN DB VIN BOOST – ALLOFF 1.2V + CB TOP TG CIN FREQ SPREAD CLK2 DROPOUT SPECTRUM DETECT PLLIN/SPREAD OSCILLATOR CLK1 SWITCH AND PLL S TOP ON LOGIC SW Q R INTVCC BOT BG 0.425V + SLEEP – GND MODE ICMP 100k – + IR + L RSENSE –+ + – – VOUT1,2 2mV SENSE+ COUT SENSE– SLOPE COMP VFB R – F1 EA + 0.8V + RF2 ITH RC VIN 1.4V ITH CLAMP EXTV C CC C2 CC1 12.5µA TRACK/SS + 0V – 0.88V – C 4.7V + ALLOFF SS – – 5.1V EN 5.1V EN + + – PGOOD EXTV + 0.72V CC LDO VBIAS LDO INTVCC 7802 BD Rev. 0 10 For more information www.analog.com Document Outline Features Applications Typical Application Description Absolute Maximum Ratings Order Information Pin Configuration Electrical Characteristics Typical Performance Characteristics Pin Functions Functional Diagram Operation Applications Information Typical Applications Package Description Typical Application Related Parts