Datasheet IQE013N04LM6 (Infineon) - 10
| Fabricante | Infineon |
| Descripción | OptiMOS Power-MOSFET, 40V |
| Páginas / Página | 13 / 10 — OptiMOSTMPower-MOSFET,40V IQE013N04LM6. 5PackageOutlines. MILLIMETERS. … |
| Revisión | 02_00 |
| Formato / tamaño de archivo | PDF / 1.4 Mb |
| Idioma del documento | Inglés |
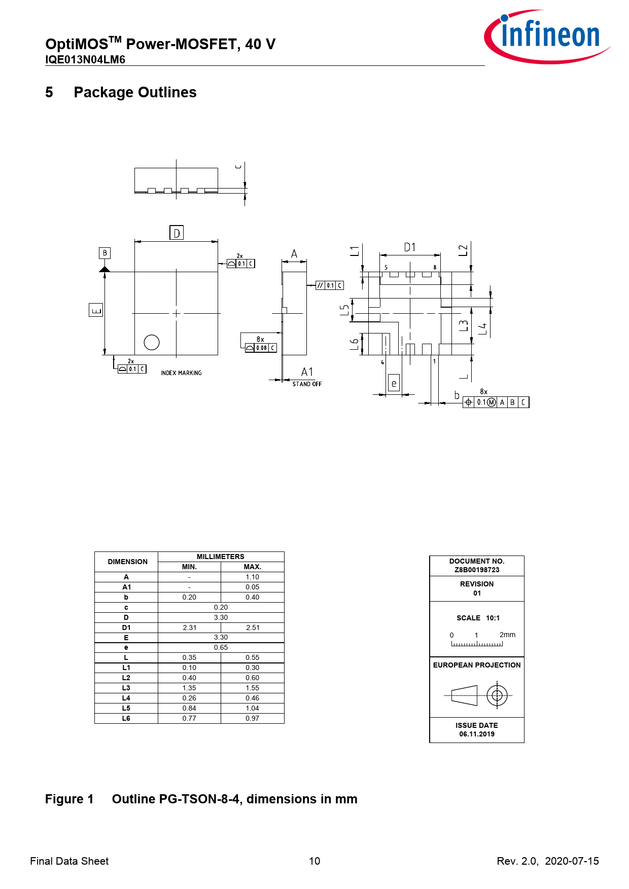
OptiMOSTMPower-MOSFET,40V IQE013N04LM6. 5PackageOutlines. MILLIMETERS. DIMENSION. DOCUMENT NO. MIN. MAX. Z8B00198723. REVISION

Línea de modelo para esta hoja de datos
Versión de texto del documento
OptiMOSTMPower-MOSFET,40V IQE013N04LM6 5PackageOutlines MILLIMETERS DIMENSION DOCUMENT NO. MIN. MAX. Z8B00198723 A
- 1.10
REVISION A1
- 0.05
01 b
0.20 0.40
c
0.20
D
3.30
SCALE 10:1 D1
2.31 2.51
E
3.30 0 1 2mm
e
0.65
L
0.35 0.55
EUROPEAN PROJECTION L1
0.10 0.30
L2
0.40 0.60
L3
1.35 1.55
L4
0.26 0.46
L5
0.84 1.04
L6
0.77 0.97
ISSUE DATE 06.11.2019 Figure1OutlinePG-TSON-8-4,dimensionsinmm
Final Data Sheet 10 Rev.2.0,2020-07-15 Document Outline Description Table of Contents Maximum ratings Thermal characteristics Electrical characteristics Static characteristics Dynamic characteristics Gate charge characteristics Reverse diode Electrical characteristics diagrams Electrical characteristics diagrams Electrical characteristics diagrams Electrical characteristics diagrams Package Outlines Revision History Trademarks Disclaimer