Datasheet 6ED2230S12T (Infineon) - 4
| Fabricante | Infineon |
| Descripción | 1200 V Three Phase Gate Driver with Integrated Bootstrap Diode and OCP |
| Páginas / Página | 29 / 4 — 6ED2230S12T. 1200 V Three Phase Gate Driver with Integrated Bootstrap … |
| Revisión | 01_03 |
| Formato / tamaño de archivo | PDF / 3.4 Mb |
| Idioma del documento | Inglés |
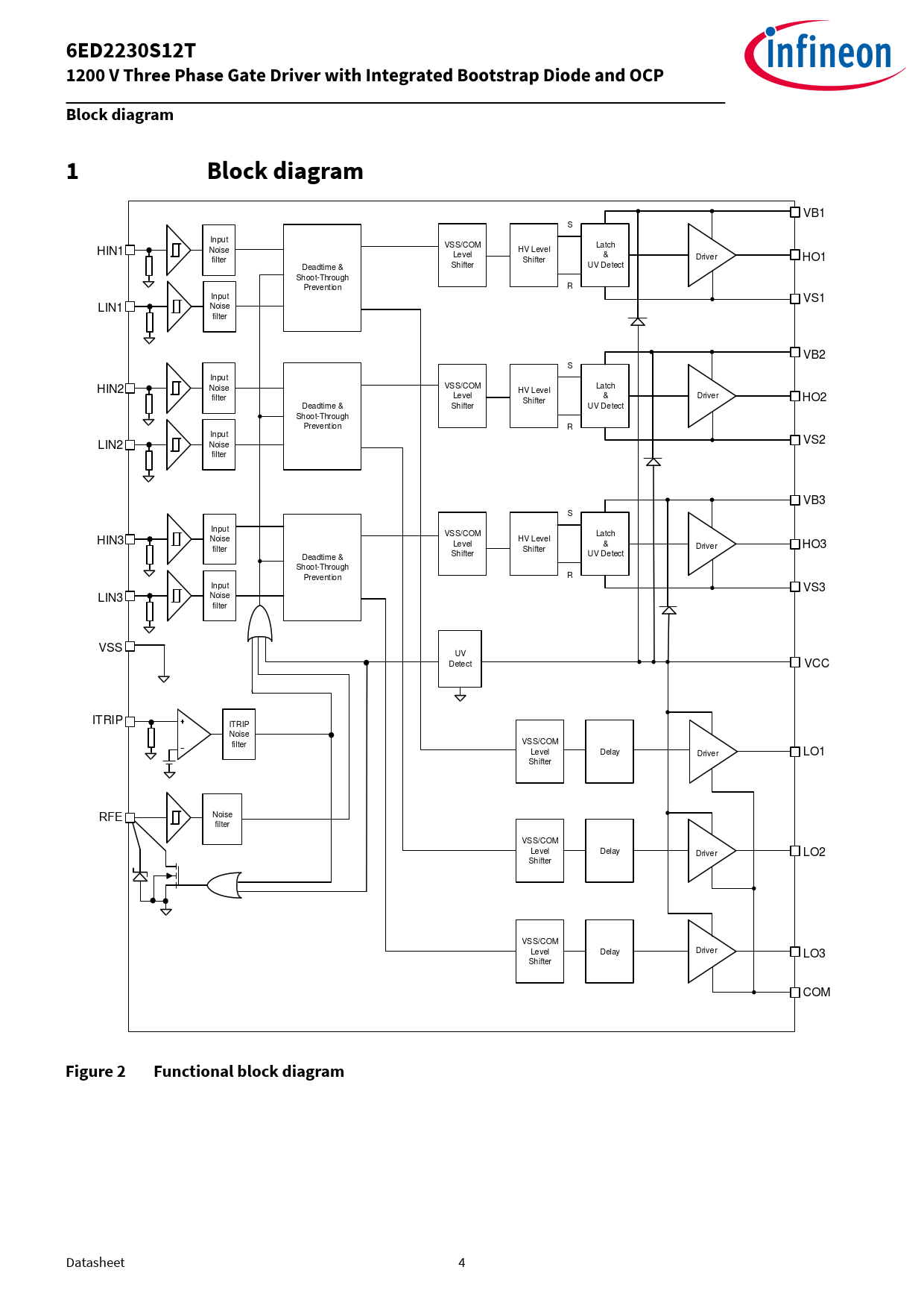
6ED2230S12T. 1200 V Three Phase Gate Driver with Integrated Bootstrap Diode and OCP. Block diagram. Figure 2

Línea de modelo para esta hoja de datos
Versión de texto del documento
6ED2230S12T 1200 V Three Phase Gate Driver with Integrated Bootstrap Diode and OCP Block diagram 1 Block diagram
VB1 S Input VSS/COM Latch Noise HV Level HIN1 Level & filter Shifter Driver HO1 Deadtime & Shifter UV Detect Shoot-Through Prevention R Input VS1 Noise LIN1 filter VB2 S Input Noise VSS/COM Latch HIN2 HV Level filter Level & Driver Shifter HO2 Deadtime & Shifter UV Detect Shoot-Through Prevention R Input LIN2 VS2 Noise filter VB3 S Input VSS/COM Latch Noise HV Level HIN3 Level & HO3 filter Shifter Driver Deadtime & Shifter UV Detect Shoot-Through Prevention R Input VS3 Noise LIN3 filter VSS UV Detect VCC ITRIP ITRIP Noise VSS/COM filter Level Delay Driver LO1 Shifter RFE Noise filter VSS/COM Level Delay Driver LO2 Shifter VSS/COM Level Delay Driver LO3 Shifter COM
Figure 2 Functional block diagram
Datasheet 4 Document Outline Features Typical applications Description Product validation Device information Table of contents 1 Block diagram 2 Lead configuration 3 Absolute maximum ratings 4 Recommended operating conditions 5 Electrical characteristics 5.1 Static electrical characteristics 5.2 Dynamic electrical characteristics 6 Application information and additional details 6.1 IGBT/MOSFET gate drive 6.2 Switching and timing relationships 6.2.1 Deadtime 6.2.2 Matched propagation delays 6.3 Input logic compatibility 6.4 Undervoltage lockout protection 6.5 Shoot-Through protection 6.6 Enable input 6.7 Fault reporting and programmable fault clear timer 6.8 Over-Current protection 6.9 Truth table: Undervoltage lockout, ITRIP, and ENABLE 6.10 Advanced input filter 6.11 Short-Pulse / Noise rejection 6.12 Integrated bootstrap diodes 6.13 Tolerant to negative VS transients 6.14 PCB layout tips 6.15 Additional documentation 7 Package information 7.1 Package information DSO-24 (DSO-28 4 pin removed) 8 Qualification information 9 Related products Revision history Insert from: "6EDL05I12.pdf" 6EDL05I12.vsdx Page-4