Datasheet LTC4332 (Analog Devices) - 8

FabricanteAnalog Devices
DescripciónSPI Extender Over Rugged Differential Link
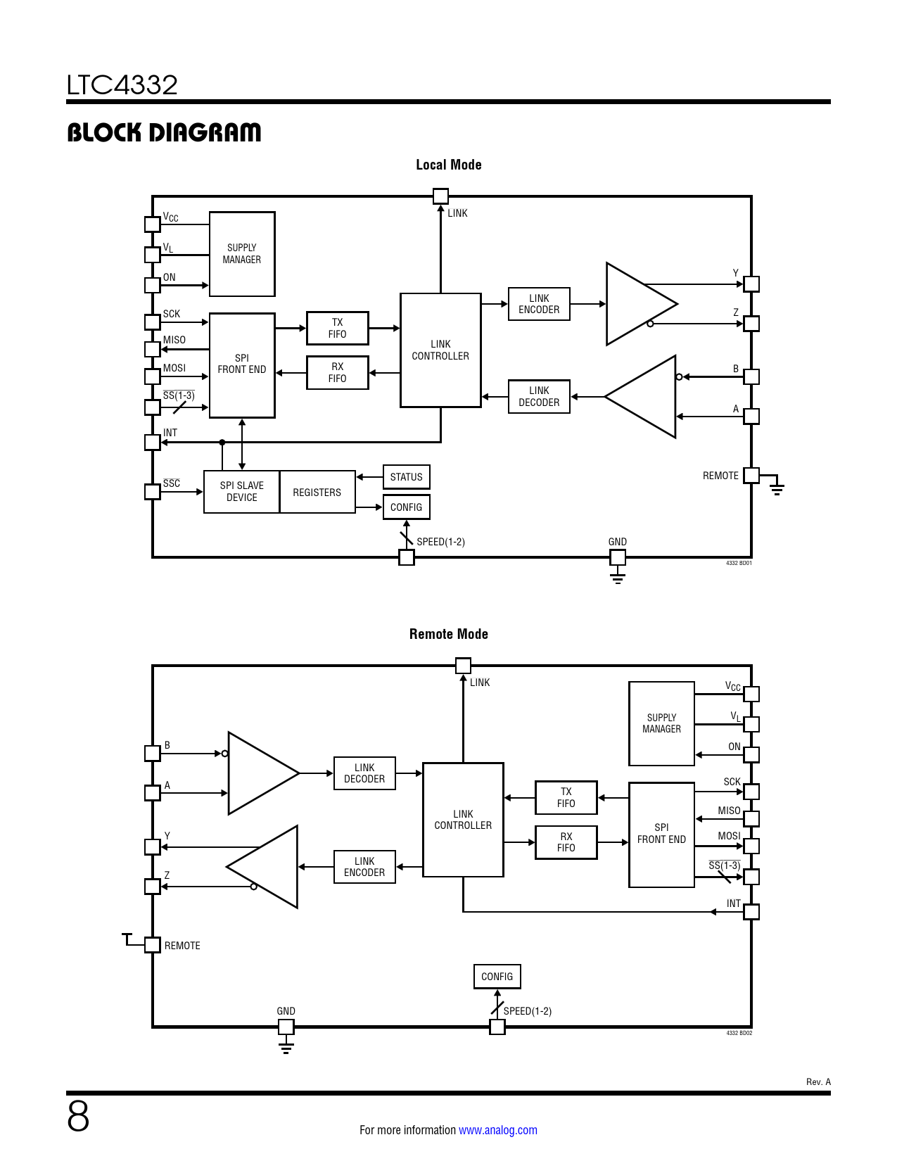
Páginas / Página22 / 8 — BLOCK DIAGRAM. Local Mode. Remote Mode
RevisiónA
Formato / tamaño de archivoPDF / 1.5 Mb
Idioma del documentoInglés

BLOCK DIAGRAM. Local Mode. Remote Mode

BLOCK DIAGRAM Local Mode Remote Mode

Línea de modelo para esta hoja de datos

Versión de texto del documento

LTC4332
BLOCK DIAGRAM Local Mode
LINK VCC VL SUPPLY MANAGER Y ON LINK ENCODER SCK Z TX FIFO MISO LINK SPI CONTROLLER MOSI FRONT END RX B FIFO LINK SS(1-3) DECODER A INT STATUS REMOTE SSC SPI SLAVE DEVICE REGISTERS CONFIG SPEED(1-2) GND 4332 BD01
Remote Mode
LINK VCC SUPPLY VL MANAGER B ON LINK DECODER SCK A TX FIFO LINK MISO CONTROLLER SPI Y RX FRONT END MOSI FIFO LINK SS(1-3) ENCODER Z INT REMOTE CONFIG GND SPEED(1-2) 4332 BD02 Rev. A 8 For more information www.analog.com Document Outline Features Applications Typical Application Description Absolute Maximum Ratings Order Information Electrical Characteristics Pin Configuration Switching Characteristics Typical Performance Characteristics Pin Functions Block Diagram Test Circuits Timing Diagram Applications Information Package Description Typical Application Related Parts