Datasheet LT8618, LT8618-3.3 (Analog Devices) - 9
| Fabricante | Analog Devices |
| Descripción | High Efficiency 65V/100mA Synchronous Buck |
| Páginas / Página | 20 / 9 — BLOCK DIAGRAM |
| Formato / tamaño de archivo | PDF / 2.9 Mb |
| Idioma del documento | Inglés |
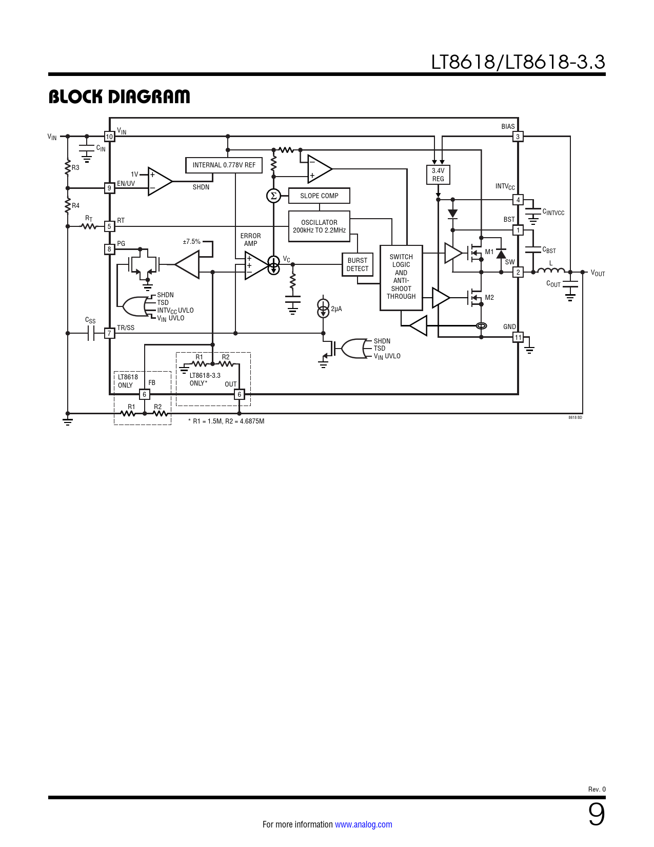
BLOCK DIAGRAM

Línea de modelo para esta hoja de datos
Versión de texto del documento
LT8618/LT8618-3.3
BLOCK DIAGRAM
V BIAS VIN 10 IN 3 CIN – R3 INTERNAL 0.778V REF + 3.4V 1V + REG EN/UV 9 – SHDN INTVCC SLOPE COMP 4 R4 CINTVCC RT RT BST 5 OSCILLATOR 200kHz TO 2.2MHz 1 ERROR ±7.5% PG AMP 8 M1 CBST + V SWITCH C BURST SW L + LOGIC DETECT – AND 2 VOUT ANTI- C SHOOT OUT SHDN THROUGH M2 TSD INTV UVLO 2µA CC CSS VIN UVLO TR/SS GND 7 11 SHDN TSD R1 R2 VIN UVLO LT8618-3.3 LT8618 FB ONLY* ONLY OUT 6 6 R1 R2 * R1 = 1.5M, R2 = 4.6875M 8618 BD Rev. 0 For more information www.analog.com 9 Document Outline Features Applications Typical Application Description Absolute Maximum Ratings Order Information Pin Configuration Pin Functions Block Diagram Operation Applications Information Typical Applications Package Description Typical Application Related Parts