Datasheet ADCA3992 (Analog Devices) - 9
| Fabricante | Analog Devices |
| Descripción | 45 MHz to 1218 MHz, CATV Power Doubler Hybrid |
| Páginas / Página | 9 / 9 — Data Sheet. ADCA3992. OUTLINE DIMENSIONS. 44.83 MAX. 44.33 MIN. 38.35. … |
| Formato / tamaño de archivo | PDF / 272 Kb |
| Idioma del documento | Inglés |
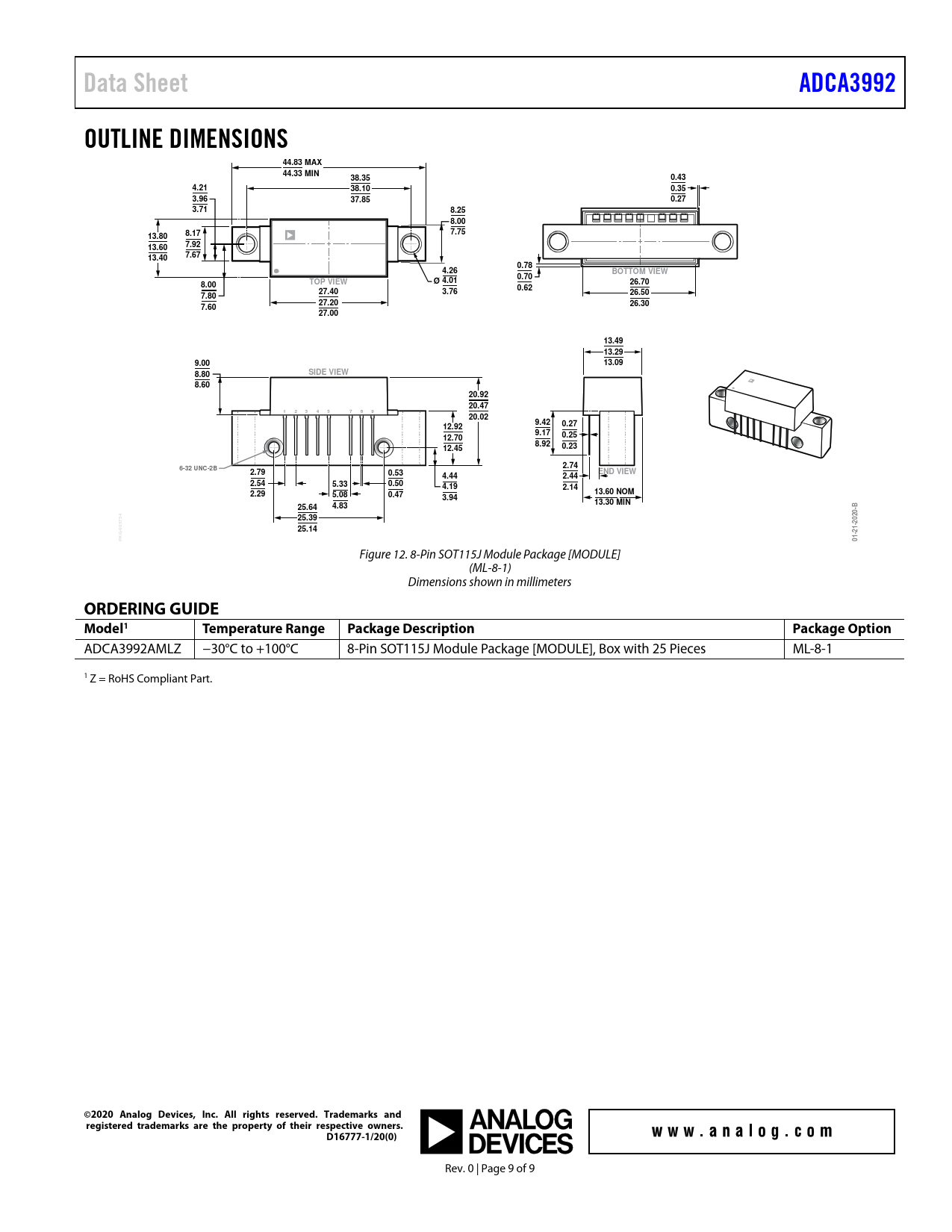
Data Sheet. ADCA3992. OUTLINE DIMENSIONS. 44.83 MAX. 44.33 MIN. 38.35. 0.43. 4.21. 38.10. 0.35. 3.96. 37.85. 0.27. 3.71. 8.25. 8.00. 8.17. 7.75. 13.80. 13.60

Línea de modelo para esta hoja de datos
Versión de texto del documento
Data Sheet ADCA3992 OUTLINE DIMENSIONS 44.83 MAX 44.33 MIN 38.35 0.43 4.21 38.10 0.35 3.96 37.85 0.27 3.71 8.25 8.00 8.17 7.75 13.80 13.60 7.92 13.40 7.67 0.78 4.26 BOTTOM VIEW 0.70 TOP VIEW Ø 4.01 8.00 26.70 0.62 27.40 3.76 7.80 26.50 27.20 7.60 26.30 27.00 13.49 13.29 9.00 13.09 SIDE VIEW 8.80 8.60 20.92 20.47 1 2 3 4 5 7 8 9 20.02 9.42 0.27 12.92 9.17 0.25 12.70 8.92 0.23 12.45 2.74 6-32 UNC-2B 2.79 0.53 END VIEW 4.44 2.44 2.54 5.33 0.50 4.19 2.14 2.29 5.08 0.47 13.60 NOM 3.94 13.30 MIN B 25.64 4.83 25.39 2020- -005754 25.14 21- G K P 01-
Figure 12. 8-Pin SOT115J Module Package [MODULE] (ML-8-1) Dimensions shown in millimeters
ORDERING GUIDE Model1 Temperature Range Package Description Package Option
ADCA3992AMLZ −30°C to +100°C 8-Pin SOT115J Module Package [MODULE], Box with 25 Pieces ML-8-1 1 Z = RoHS Compliant Part.
©2020 Analog Devices, Inc. All rights reserved. Trademarks and registered trademarks are the property of their respective owners. D16777-1/20(0)
Rev. 0 | Page 9 of 9 Document Outline FEATURES APPLICATIONS FUNCTIONAL BLOCK DIAGRAM GENERAL DESCRIPTION TABLE OF CONTENTS REVISION HISTORY SPECIFICATIONS GENERAL PERFORMANCE DISTORTION DATA, 40 MHz TO 550 MHz ABSOLUTE MAXIMUM RATINGS ESD CAUTION PIN CONFIGURATION AND FUNCTION DESCRIPTIONS TYPICAL PERFORMANCE CHARACTERISTICS THEORY OF OPERATION APPLICATIONS INFORMATION OUTLINE DIMENSIONS ORDERING GUIDE