Datasheet HMC463 (Analog Devices) - 7

FabricanteAnalog Devices
DescripciónGaAs PHEMT MMIC LOW NOISE AGC AMPLIFIER, 2 - 20 GHz
Páginas / Página8 / 7 — HMC463. GaAs PHEMT MMIC LOW NOISE. AGC AMPLIFIER, 2 - 20 GHz. Assembly …
Formato / tamaño de archivoPDF / 658 Kb
Idioma del documentoInglés

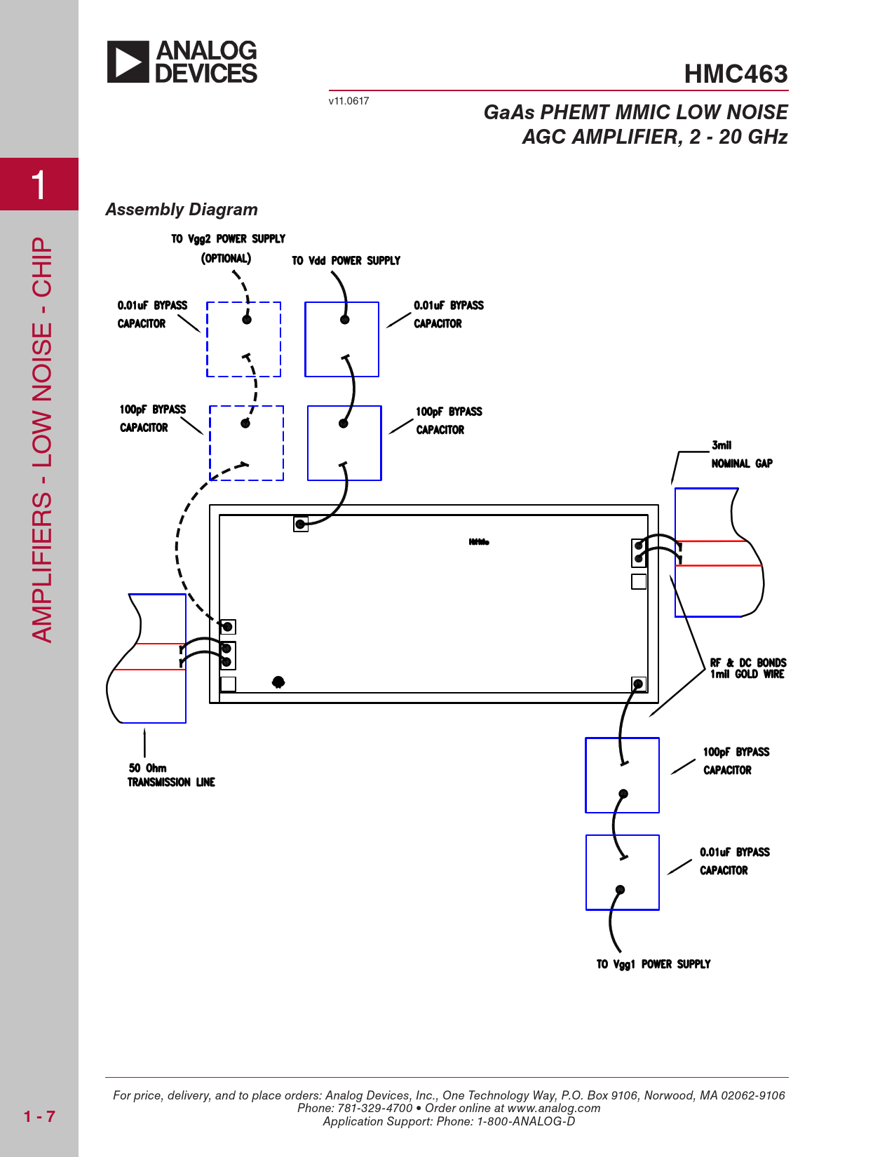
HMC463. GaAs PHEMT MMIC LOW NOISE. AGC AMPLIFIER, 2 - 20 GHz. Assembly Diagram. 1 - 7

HMC463 GaAs PHEMT MMIC LOW NOISE AGC AMPLIFIER, 2 - 20 GHz Assembly Diagram 1 - 7

Línea de modelo para esta hoja de datos

Versión de texto del documento

HMC463
v11.0617
GaAs PHEMT MMIC LOW NOISE AGC AMPLIFIER, 2 - 20 GHz
1
Assembly Diagram
IP H E - C IS O W N O S - L R IE LIF P M A For price, delivery, and to place orders: Analog Devices, Inc., One Technology Way, P.O. Box 9106, Norwood, MA 02062-9106
1 - 7
Phone: 781-329-4700 • Order online at www.analog.com Application Support: Phone: 1-800-ANALOG-D