Datasheet LTC3315A (Analog Devices) - 10

FabricanteAnalog Devices
DescripciónDual 5V, 2A Synchronous Step-Down DC/DCs in 2mm × 2mm LQFN
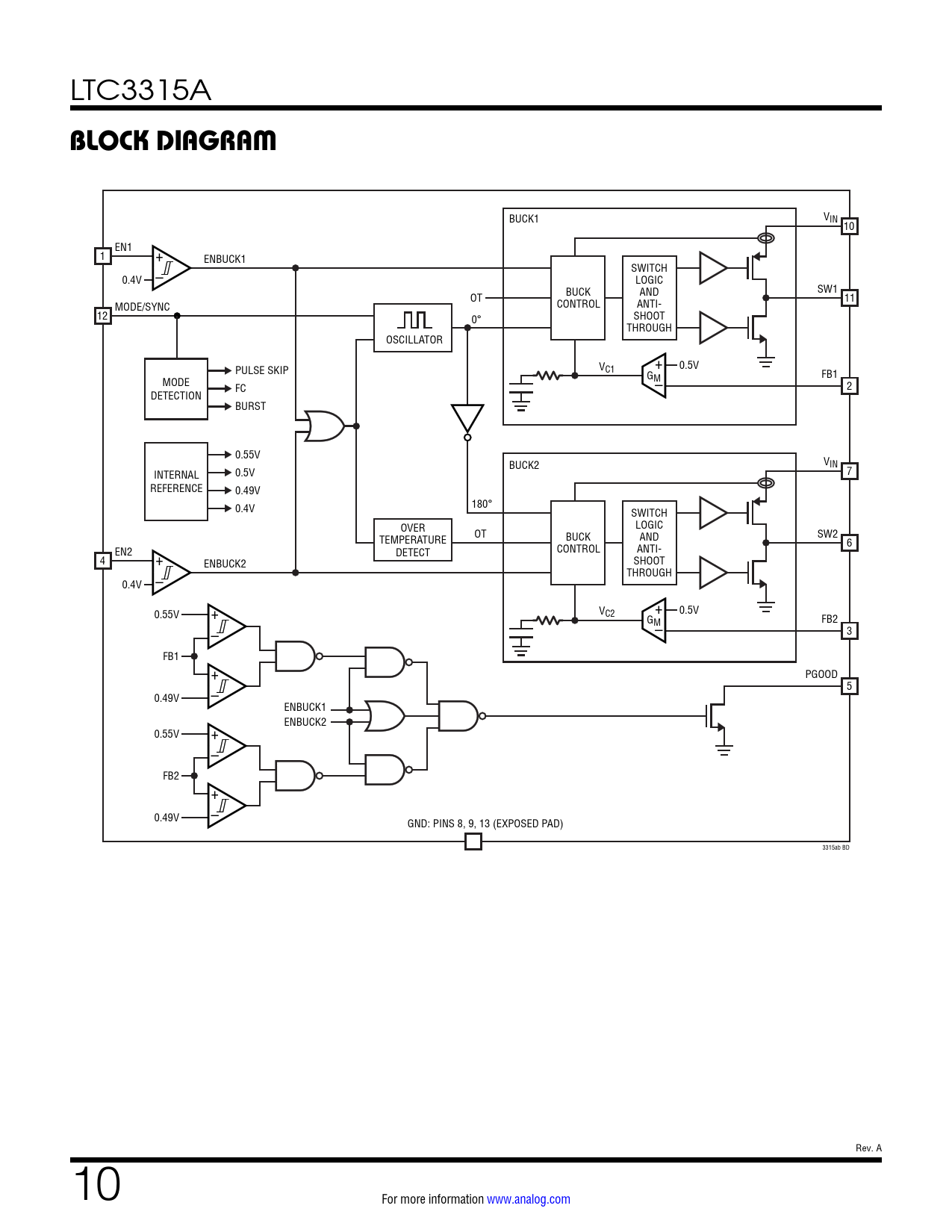
Páginas / Página24 / 10 — BLOCK DIAGRAM
RevisiónA
Formato / tamaño de archivoPDF / 2.0 Mb
Idioma del documentoInglés

BLOCK DIAGRAM

BLOCK DIAGRAM

Línea de modelo para esta hoja de datos

Versión de texto del documento

LTC3315A
BLOCK DIAGRAM
BUCK1 VIN 10 EN1 1 + ENBUCK1 SWITCH 0.4V – LOGIC SW1 BUCK AND OT 11 CONTROL ANTI- MODE/SYNC 12 SHOOT 0° THROUGH OSCILLATOR V + 0.5V PULSE SKIP C1 G FB1 M MODE FC – 2 DETECTION BURST 0.55V V BUCK2 IN 0.5V 7 INTERNAL REFERENCE 0.49V 0.4V 180° SWITCH LOGIC OVER OT SW2 BUCK AND TEMPERATURE 6 CONTROL ANTI- EN2 DETECT 4 + SHOOT ENBUCK2 THROUGH 0.4V – V + 0.5V 0.55V C2 + G FB2 M – 3 – FB1 + PGOOD 5 0.49V – ENBUCK1 ENBUCK2 0.55V + – FB2 + 0.49V – GND: PINS 8, 9, 13 (EXPOSED PAD) 3315ab BD Rev. A 10 For more information www.analog.com Document Outline Features Applications Typical Application Description Absolute Maximum Ratings Order Information Electrical Characteristics Pin Configuration Typical Performance Characteristics Pin Functions Block Diagram Operation Applications Information Typical Applications Package Description Revision History Typical Application Related Parts