Datasheet LTC3337 (Analog Devices) - 10

FabricanteAnalog Devices
DescripciónPrimary Battery SOH Monitor with Precision Coulomb Counter
Páginas / Página24 / 10 — BLOCK DIAGRAM. Figure 2. Block Diagram
Formato / tamaño de archivoPDF / 1.4 Mb
Idioma del documentoInglés

BLOCK DIAGRAM. Figure 2. Block Diagram

BLOCK DIAGRAM Figure 2 Block Diagram

Línea de modelo para esta hoja de datos

Versión de texto del documento

LTC3337
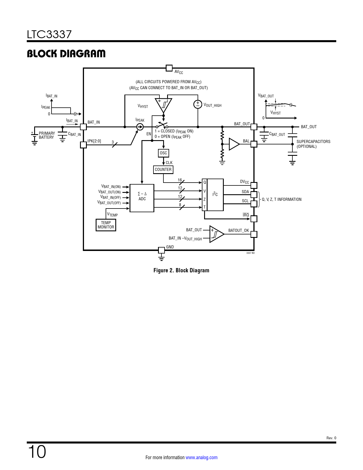
BLOCK DIAGRAM
AVCC (ALL CIRCUITS POWERED FROM AVCC) (AVCC CAN CONNECT TO BAT_IN OR BAT_OUT) IBAT_IN + – VBAT_OUT + I V V PEAK HYST – OUT_HIGH 0 VHYST I 0 BAT_IN I BAT_IN PEAK BAT_OUT BAT_OUT 1 = CLOSED (I + PRIMARY C PEAK ON) BAT_IN EN CBAT_OUT BATTERY 0 = OPEN (IPEAK OFF) IPK[2:0] 3 BAL SUPERCAPACITORS (OPTIONAL) OSC CLK COUNTER 16 Q DVCC VBAT_IN(ON) 12 VBAT_OUT(ON) V SDA – ∆ I2C VBAT_IN(OFF) 12 ADC Z SCL Q, V, Z, T INFORMATION VBAT_OUT(OFF) 8 T VTEMP IRQ TEMP MONITOR BAT_OUT + BATOUT_OK BAT_IN –VOUT_HIGH – GND 3337 BD
Figure 2. Block Diagram
Rev. 0 10 For more information www.analog.com Document Outline Features Applications Typical Application Description Absolute Maximum Ratings Order Information Electrical Characteristics Timing Diagram Typical Performance Characteristics Pin Functions Block Diagram Operation Applications Information Typical Applications Package Description Typical Applications Related Parts