Datasheet L200 (STMicroelectronics) - 2

FabricanteSTMicroelectronics
DescripciónAdjustable Voltage and Current Regulator
Páginas / Página12 / 2 — L200. CONNECTION DIAGRAMS AND ORDER CODES. Type. Pentawatt. TO-3. BLOCK …
Formato / tamaño de archivoPDF / 254 Kb
Idioma del documentoInglés

L200. CONNECTION DIAGRAMS AND ORDER CODES. Type. Pentawatt. TO-3. BLOCK DIAGRAM. APPLICATION CIRCUITS

L200 CONNECTION DIAGRAMS AND ORDER CODES Type Pentawatt TO-3 BLOCK DIAGRAM APPLICATION CIRCUITS

Línea de modelo para esta hoja de datos

Versión de texto del documento

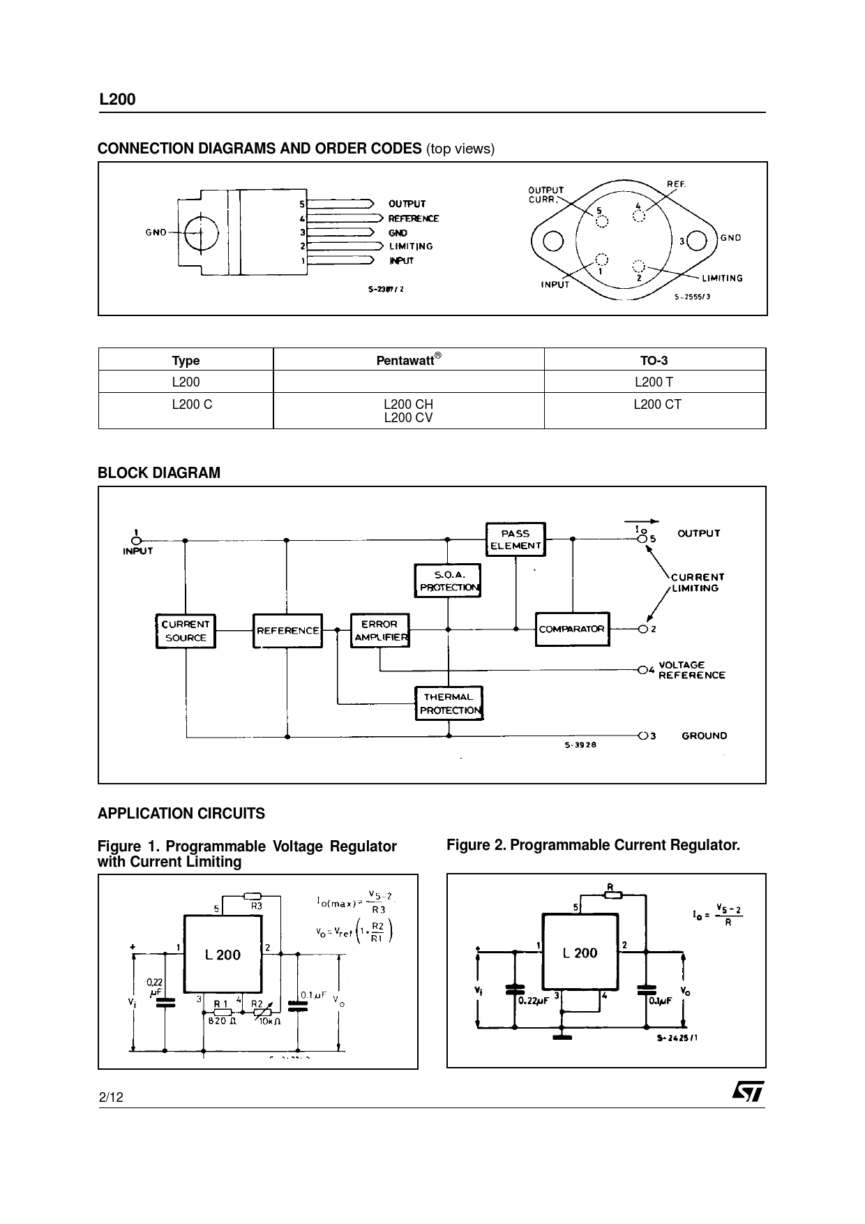
L200 CONNECTION DIAGRAMS AND ORDER CODES
(top views)
Type Pentawatt
®
TO-3
L200 L200 T L200 C L200 CH L200 CT L200 CV
BLOCK DIAGRAM APPLICATION CIRCUITS Figure 1. Programmable Voltage Regulator Figure 2. Programmable Current Regulator. with Current Limiting
2/12