Datasheet AO3400A (Alpha & Omega) - 5

FabricanteAlpha & Omega
Descripción30V N-Channel MOSFET
Páginas / Página5 / 5 — AO3400A. www.aosmd.com
Formato / tamaño de archivoPDF / 482 Kb
Idioma del documentoInglés

AO3400A. www.aosmd.com

AO3400A www.aosmd.com

Línea de modelo para esta hoja de datos

Versión de texto del documento

AO3400A
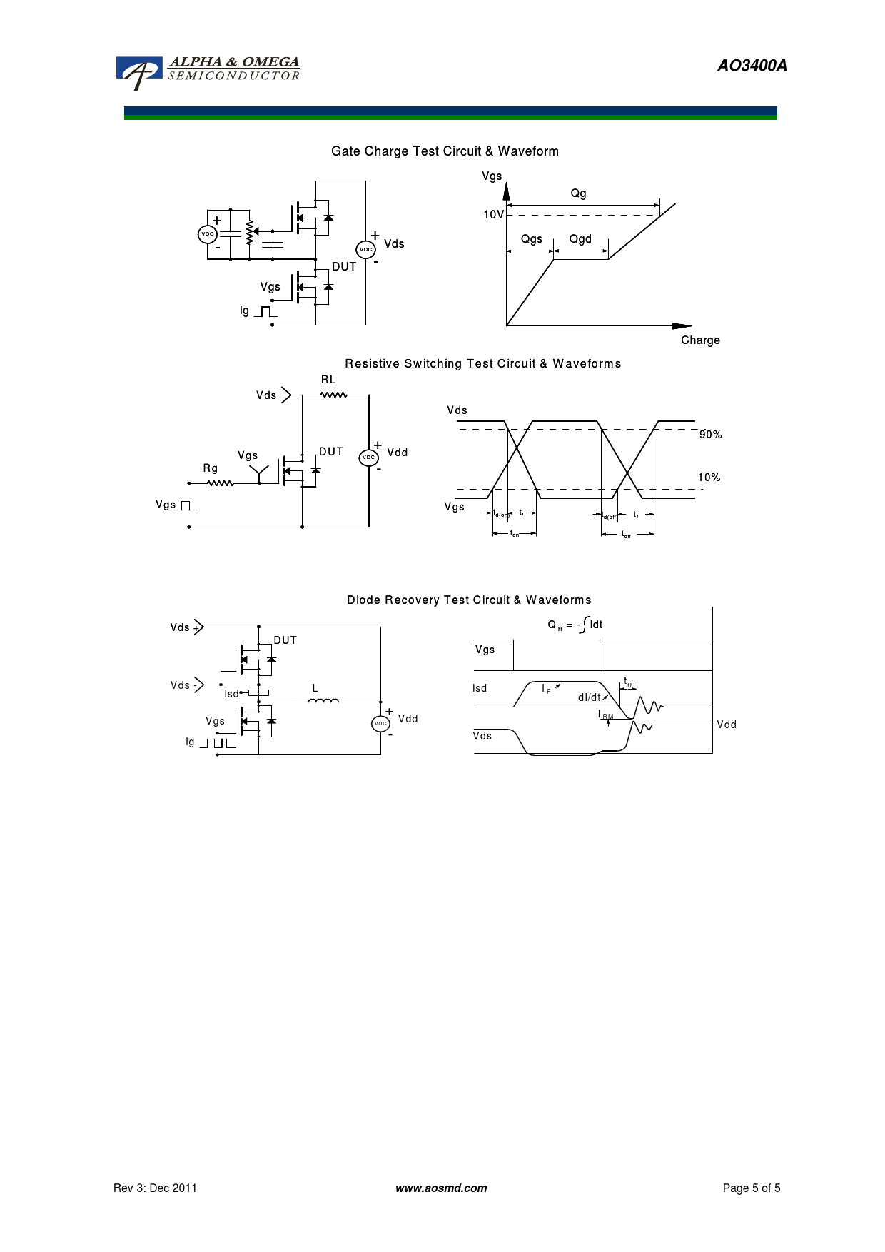
Gate Charge Test Circuit & Waveform Vgs Qg + 10V + VDC + Qgs Qgd Vds VDC - - DUT Vgs Ig Charge R e s istiv e S w itch in g T e st C ircu it & W a ve fo rm s R L V ds V d s 90 % + D U T V d d V g s V g V D C R g - 1 0% V g s V gs t t r d (o n ) d (o n t t d (o ff) f ton toff D io d e R eco very T est C ircu it & W a vefo rm s V ds + Q = - Idt + rr D U T V gs t V ds - L Isd I rr Isd F dI/dt + I V gs R M V dd VD C V dd - V ds Ig Rev 3: Dec 2011
www.aosmd.com
Page 5 of 5