Hojas de datos
Más
Only-Datasheet.com
Sobre nosotros
Cooperación
Publicidad
Contactos
en - English
ru - Русский
de - Deutsch
zh - 中文
Buscar
Hojas de datos
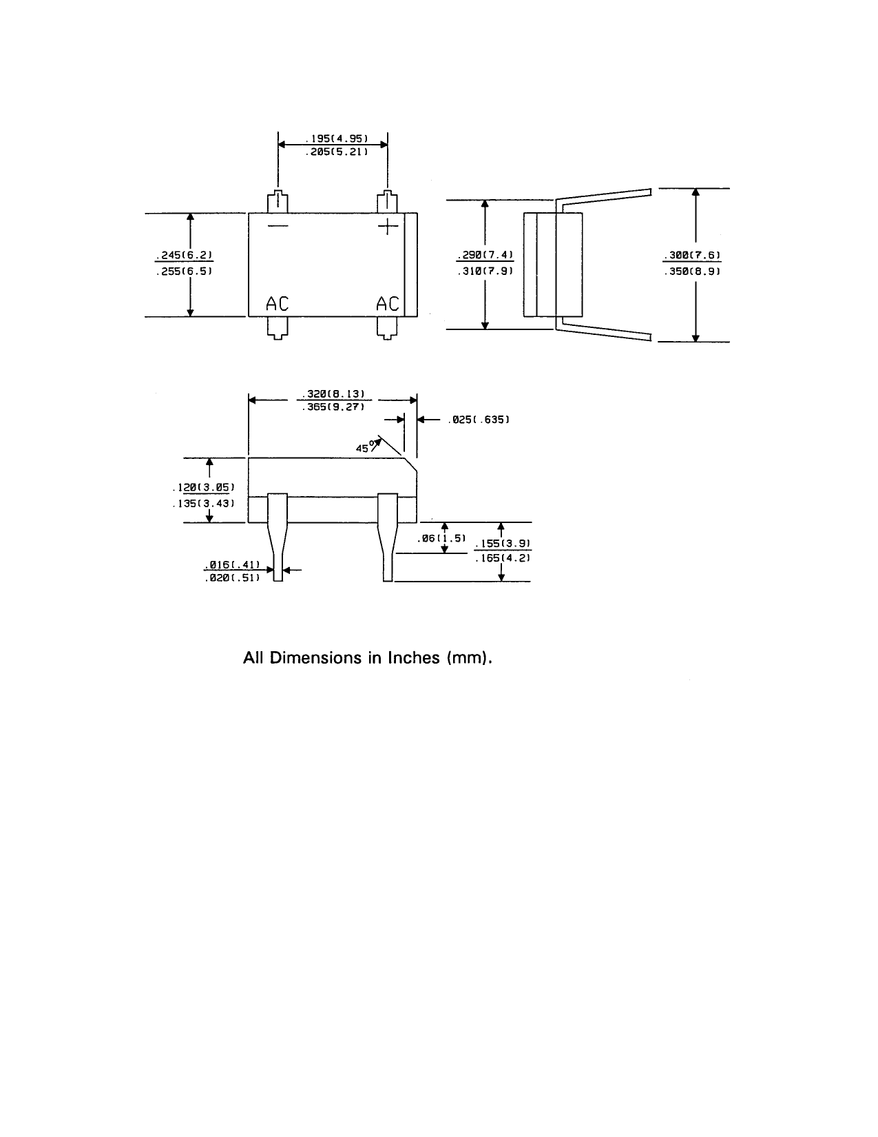
Datasheet CBR1F-D010 (Central Semiconductor)
Datasheet CBR1F-D010 (Central Semiconductor) - 2
Fabricante
Central Semiconductor
Descripción
1 AMP DUAL IN LINE FAST RECOVERY SILICON BRIDGE RECTIFIER
Páginas / Página
5
/
2
Formato / tamaño de archivo
PDF
/
206 Kb
Idioma del documento
Inglés
1
2
3
4
5
Descargar PDF
1
2
3
4
5
Línea de modelo para esta hoja de datos
CBR1F-D010
CBR1F-D020
CBR1F-D040
CBR1F-D060
CBR1F-D080
CBR1F-D100
Contactos
Política de privacidad
Cambiar la configuración de privacidad