Datasheet ADG604 (Analog Devices) - 9

FabricanteAnalog Devices
Descripción1 pC Charge Injection, 100 pA Leakage CMOS 5 V/5 V/3 V 4-Channel Multiplexer
Páginas / Página11 / 9 — ADG604. Test Circuits. IDS. IS (OFF). ID (OFF). ID (ON). ON = V1/IDS. …
RevisiónA
Formato / tamaño de archivoPDF / 236 Kb
Idioma del documentoInglés

ADG604. Test Circuits. IDS. IS (OFF). ID (OFF). ID (ON). ON = V1/IDS. VDD. VSS. 0.1. ADDRESS. 50%. DRIVE (VIN). 90%. VS2. VOUT. OUT. TRANSITION. +2.4V

ADG604 Test Circuits IDS IS (OFF) ID (OFF) ID (ON) ON = V1/IDS VDD VSS 0.1 ADDRESS 50% DRIVE (VIN) 90% VS2 VOUT OUT TRANSITION +2.4V

Línea de modelo para esta hoja de datos

Versión de texto del documento

ADG604 Test Circuits IDS V1 IS (OFF) ID (OFF) ID (ON) S D S D A A S D NC A VS VS VD V R D ON = V1/IDS
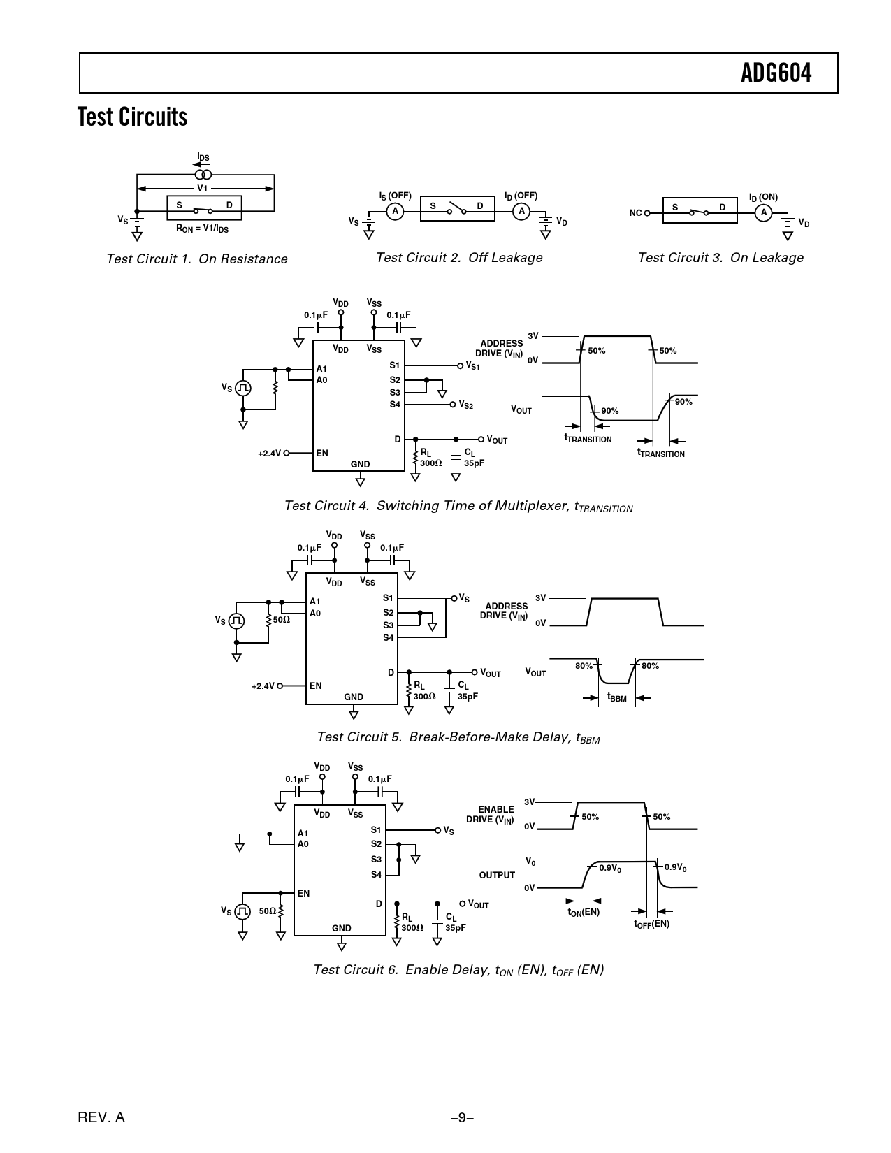
Test Circuit 1. On Resistance Test Circuit 2. Off Leakage Test Circuit 3. On Leakage
VDD VSS 0.1 F 0.1 F 3V ADDRESS VDD VSS 50% 50% DRIVE (VIN) V 0V A1 S1 S1 A0 S2 VS S3 90% S4 VS2 VOUT 90% D V t OUT TRANSITION +2.4V EN RL CL tTRANSITION GND 300 35pF
Test Circuit 4. Switching Time of Multiplexer, tTRANSITION
VDD VSS 0.1 F 0.1 F VDD VSS S1 VS 3V A1 ADDRESS A0 S2 DRIVE (VIN) VS 50 0V S3 S4 80% 80% D V V OUT OUT +2.4V EN RL CL GND 300 35pF tBBM
Test Circuit 5. Break-Before-Make Delay, tBBM
VDD VSS 0.1 F 0.1 F 3V V ENABLE DD VSS 50% 50% DRIVE (VIN) 0V A1 S1 VS A0 S2 S3 V0 0.9V0 0.9V0 S4 OUTPUT 0V EN D VOUT VS 50 t R ON(EN) L CL t GND 300 35pF OFF(EN)
Test Circuit 6. Enable Delay, tON (EN), tOFF (EN) REV. A –9–