Datasheet ADG758, ADG759 (Analog Devices) - 10

FabricanteAnalog Devices
Descripción3 Ω, 4-/8-Channel Multiplexers in Chip Scale Package
Páginas / Página12 / 10 — ADG758/ADG759. Test Circuits. IDS. VDD. VSS. ID (OFF). 0.8V. GND. RON = …
RevisiónB
Formato / tamaño de archivoPDF / 362 Kb
Idioma del documentoInglés

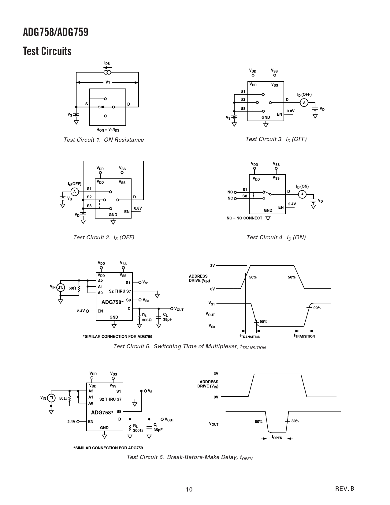
ADG758/ADG759. Test Circuits. IDS. VDD. VSS. ID (OFF). 0.8V. GND. RON = V1/IDS. S(OFF). D (ON). 2.4V. NC = NO CONNECT. ADDRESS. 50%. DRIVE (V. IN). VIN

ADG758/ADG759 Test Circuits IDS VDD VSS ID (OFF) 0.8V GND RON = V1/IDS S(OFF) D (ON) 2.4V NC = NO CONNECT ADDRESS 50% DRIVE (V IN) VIN

Línea de modelo para esta hoja de datos

Versión de texto del documento

ADG758/ADG759 Test Circuits IDS V V DD SS V1 VDD VSS S1 ID (OFF) S2 D S A D S8 V 0.8V D VS EN VS GND RON = V1/IDS
Test Circuit 1. ON Resistance Test Circuit 3. ID (OFF)
V V DD SS V V DD SS V V SS DD VDD V I SS S(OFF) I S1 D (ON) S1 A NC D A S2 D S8 VS NC VD S8 2.4V 0.8V EN EN GND VD GND NC = NO CONNECT
Test Circuit 2. IS (OFF) Test Circuit 4. ID (ON)
VDD VSS 3V VDD VSS ADDRESS 50% 50% A2 DRIVE (V V IN) S1 S1 VIN A1 50 0V A0 S2 THRU S7 V ADG758 S8 * S8 VS1 90% D V 2.4V EN OUT C V R OUT GND L L 300 35pF 90% VS8 *SIMILAR CONNECTION FOR ADG759 t t TRANSITION TRANSITION
Test Circuit 5. Switching Time of Multiplexer, tTRANSITION
VDD VSS 3V ADDRESS VDD VSS DRIVE (VIN) A2 S1 VS V A1 0V IN 50 S2 THRU S7 A0 ADG758* S8 D V 2.4V EN OUT 80% 80% V C OUT R GND L L 300 35pF tOPEN *SIMILAR CONNECTION FOR ADG759
Test Circuit 6. Break-Before-Make Delay, tOPEN –10– REV. B