Datasheet ADG608, ADG609 (Analog Devices) - 9
| Fabricante | Analog Devices |
| Descripción | 3 V/5 V, 4/8 Channel High Performance Analog Multiplexers |
| Páginas / Página | 12 / 9 — ADG608/ADG609. ADDRESS. DRIVE (VIN). VIN. S2 THRU S7. A0 ADG608*. +2.4V. … |
| Revisión | A |
| Formato / tamaño de archivo | PDF / 165 Kb |
| Idioma del documento | Inglés |
ADG608/ADG609. ADDRESS. DRIVE (VIN). VIN. S2 THRU S7. A0 ADG608*. +2.4V. OUT. VOUT. 80%. GND. 300. 35pF. tOPEN. * SIMILAR CONNECTION FOR ADG609

Línea de modelo para esta hoja de datos
Versión de texto del documento
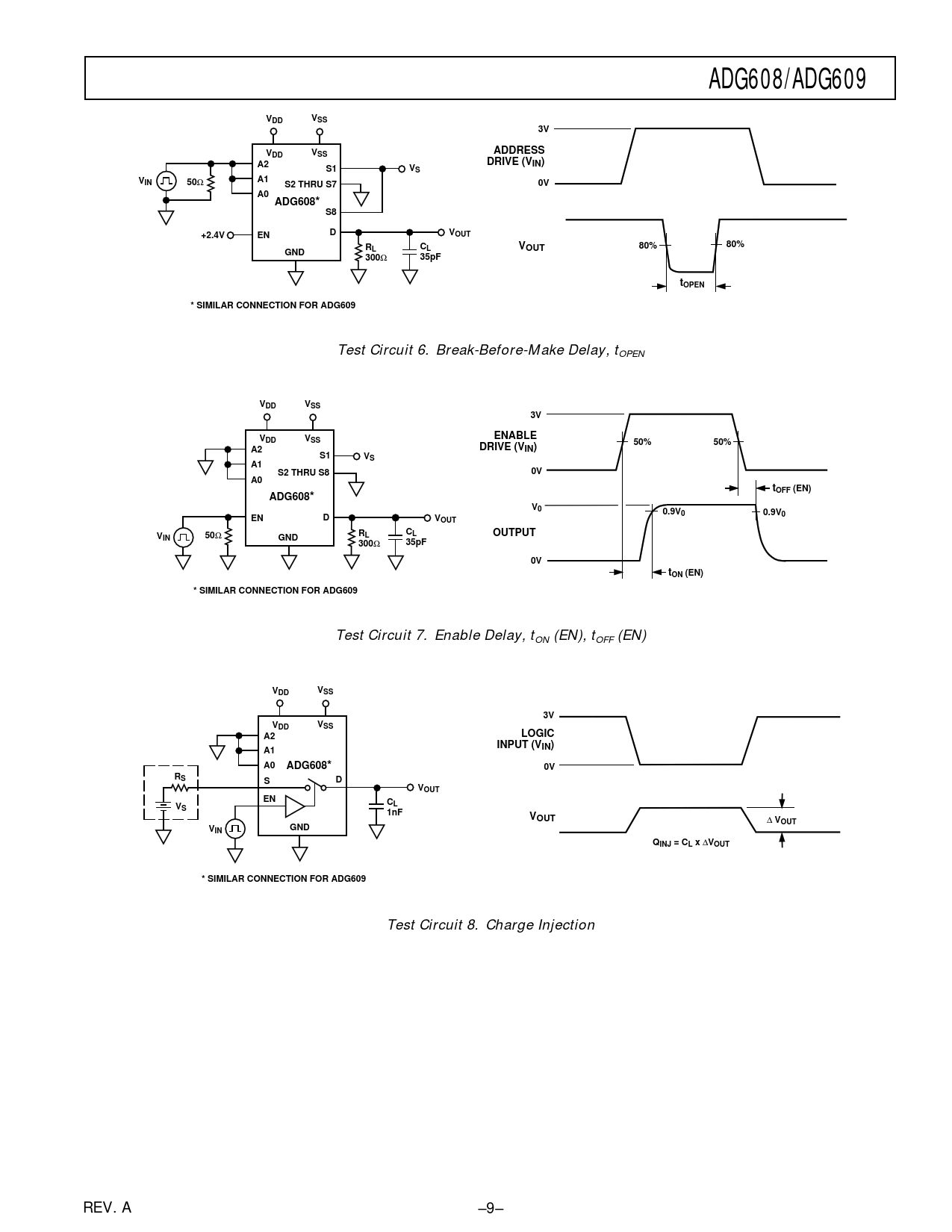
ADG608/ADG609 V V DD SS 3V V V ADDRESS DD SS A2 DRIVE (VIN) S1 VS A1 VIN 50
Ω
S2 THRU S7 0V A0 ADG608* S8 D V +2.4V EN OUT R C VOUT 80% 80% GND L L 300
Ω
35pF tOPEN * SIMILAR CONNECTION FOR ADG609
Test Circuit 6. Break-Before-Make Delay, tOPEN
V V DD SS 3V V V ENABLE DD SS 50% 50% DRIVE (VIN) A2 S1 VS A1 0V S2 THRU S8 A0 tOFF (EN) ADG608* V0 0.9V0 0.9V0 EN D VOUT L CL OUTPUT VIN 50
Ω
R GND 300
Ω
35pF 0V tON (EN) * SIMILAR CONNECTION FOR ADG609
Test Circuit 7. Enable Delay, tON (EN), tOFF (EN)
V V DD SS 3V V V DD SS A2 LOGIC INPUT (VIN) A1 A0 ADG608* 0V RS D S VOUT EN CL VS 1nF VOUT
∆
VOUT V GND IN QINJ = CL x
∆
VOUT * SIMILAR CONNECTION FOR ADG609
Test Circuit 8. Charge Injection REV. A –9–