Datasheet ADG438F, ADG439F (Analog Devices) - 9

FabricanteAnalog Devices
DescripciónHigh Performance, 4-/8-Channel, Fault-Protected Analog Multiplexers
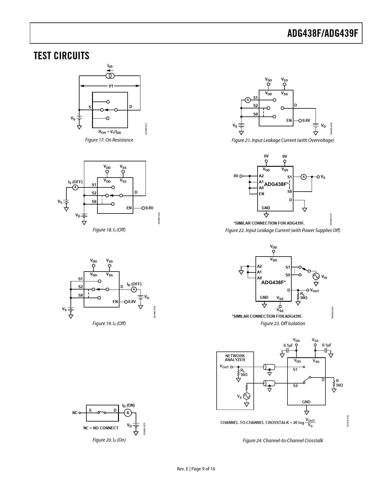
Páginas / Página16 / 9 — ADG438F/ADG439F. TEST CIRCUITS. IDS. VDD. VSS. 0.8V. ON = V1/IDS. S …
RevisiónE
Formato / tamaño de archivoPDF / 325 Kb
Idioma del documentoInglés

ADG438F/ADG439F. TEST CIRCUITS. IDS. VDD. VSS. 0.8V. ON = V1/IDS. S (OFF). ADG438F*. GND. *SIMILAR CONNECTION FOR ADG439F. D (OFF). VOUT. 50Ω

ADG438F/ADG439F TEST CIRCUITS IDS VDD VSS 0.8V ON = V1/IDS S (OFF) ADG438F* GND *SIMILAR CONNECTION FOR ADG439F D (OFF) VOUT 50Ω

Línea de modelo para esta hoja de datos

Versión de texto del documento

ADG438F/ADG439F TEST CIRCUITS IDS VDD VSS V1 VDD VSS S1 A S D S2 D S8 VS EN 0.8V
26 021
VS VD
0
R
68-
ON = V1/IDS
468- 04 0 00 Figure 17. On Resistance Figure 21. Input Leakage Current (with Overvoltage)
0V 0V VDD VSS VDD VSS 0V A2 S1 A VS I VDD VSS S (OFF) A1 S1 ADG438F* A A0 S2 D S8 EN V D S S8 EN 0.8V GND VD
022 027 8- 68- 0046
*SIMILAR CONNECTION FOR ADG439F.
004 Figure 18. IS (Off) Figure 22. Input Leakage Current (with Power Supplies Off)
VDD V V DD VSS DD A2 S1 V A1 DD VSS S8 V S1 A0 IN I ADG438F* S2 D (OFF) D A D VOUT S8 R V L D GND VSS 50Ω EN 0.8V
3
VS
02
V
034 8-
SS
68- 046 0
*SIMILAR CONNECTION FOR ADG439F.
004 Figure 19. ID (Off) Figure 23. Off Isolation
VDD VSS 0.1µF 0.1µF NETWORK ANALYZER VDD VSS VOUT R S1 L 50Ω D R S2 50Ω VS GND ID (ON) S D NC A
0
V
20
CHANNEL-TO-CHANNEL CROSSTALK = 20 log OUT
8-
VD
25
V
046
NC = NO CONNECT
0
S
0 68- 004 Figure 20. ID (On) Figure 24. Channel-to-Channel Crosstalk Rev. E | Page 9 of 16 Document Outline FEATURES APPLICATIONS GENERAL DESCRIPTION FUNCTIONAL BLOCK DIAGRAM PRODUCT HIGHLIGHTS TABLE OF CONTENTS REVISION HISTORY SPECIFICATIONS DUAL SUPPLY ABSOLUTE MAXIMUM RATINGS ESD CAUTION PIN CONFIGURATION AND FUNCTION DESCRIPTIONS TYPICAL PERFORMANCE CHARACTERISTICS TEST CIRCUITS TERMINOLOGY THEORY OF OPERATION OUTLINE DIMENSIONS ORDERING GUIDE