Datasheet ADG417 (Analog Devices) - 7

FabricanteAnalog Devices
DescripciónLC2MOS Precision Mini-DIP Analog Switch
Páginas / Página8 / 7 — ADG417. Test Circuits. IDS. S (OFF). D (OFF). D (ON). RON = V1/IDS. VDD. …
RevisiónA
Formato / tamaño de archivoPDF / 97 Kb
Idioma del documentoInglés

ADG417. Test Circuits. IDS. S (OFF). D (OFF). D (ON). RON = V1/IDS. VDD. 0.1. 50%. VOUT. 300. 35pF. 90%. GND. VSS. tON. tOFF. VIN. OUT. 10nF. QINJ = CL. RL 50

ADG417 Test Circuits IDS S (OFF) D (OFF) D (ON) RON = V1/IDS VDD 0.1 50% VOUT 300 35pF 90% GND VSS tON tOFF VIN OUT 10nF QINJ = CL RL 50

Línea de modelo para esta hoja de datos

Versión de texto del documento

ADG417 Test Circuits IDS V1 I I S (OFF) I S D D (OFF) S D D (ON) S D V V V S VD S VD S RON = V1/IDS
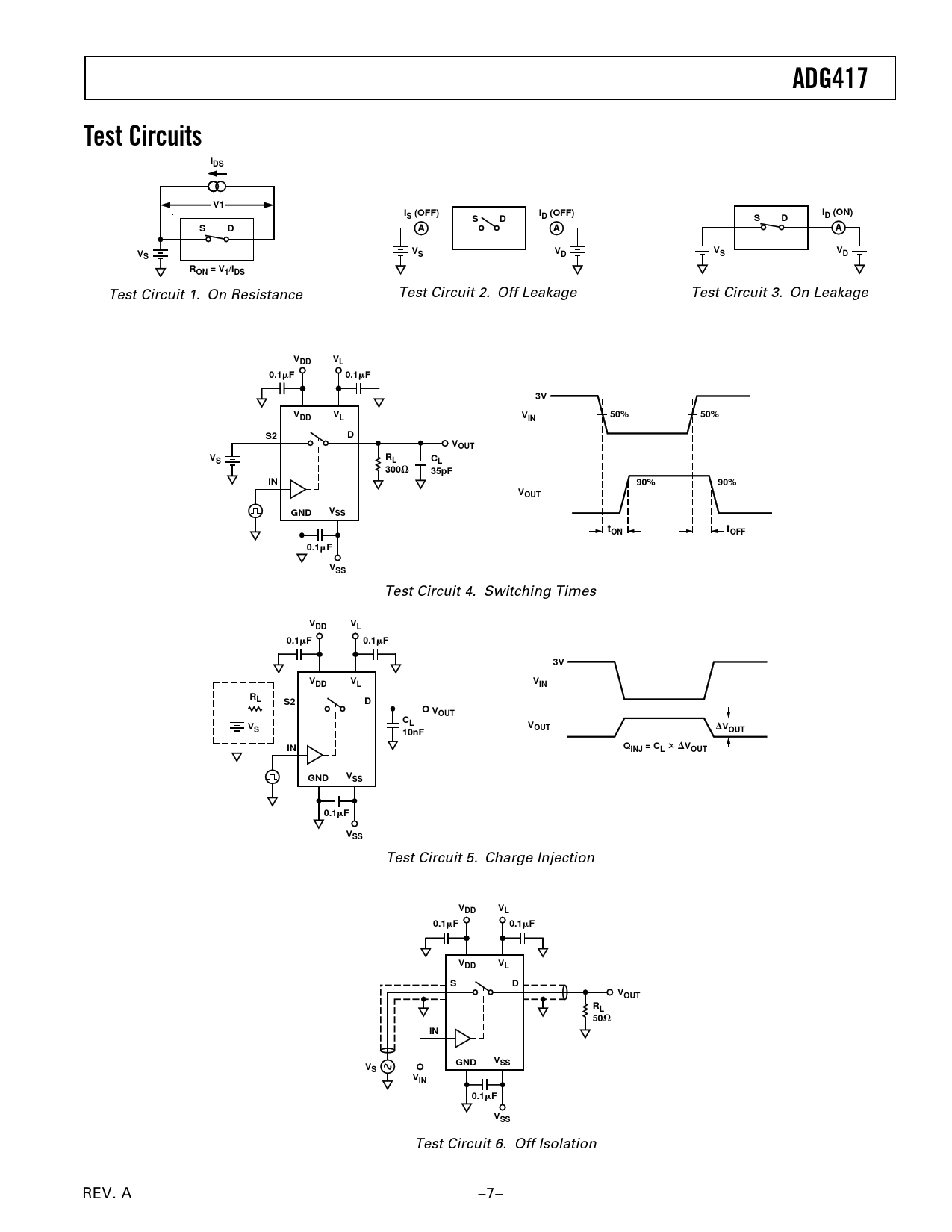
Test Circuit 1. On Resistance Test Circuit 2. Off Leakage Test Circuit 3. On Leakage
VDD VL 0.1
m
F 0.1
m
F 3V V V DD L V 50% 50% IN S2 D VOUT V R S L CL 300
V
35pF IN 90% 90% VOUT GND VSS tON tOFF 0.1
m
F VSS
Test Circuit 4. Switching Times
VDD VL 0.1
m
F 0.1
m
F 3V V V DD L VIN RL S2 D VOUT C V L V S OUT
D
V 10nF OUT IN QINJ = CL
3 D
VOUT GND VSS 0.1
m
F VSS
Test Circuit 5. Charge Injection
V V DD L 0.1
m
F 0.1
m
F V V DD L S D VOUT RL 50
V
IN V GND VSS S VIN 0.1
m
F VSS
Test Circuit 6. Off Isolation REV. A –7–