Datasheet AT89C51 (Microchip) - 2

FabricanteMicrochip
Descripción8-bit Microcontroller with 4K Bytes Flash
Páginas / Página17 / 2 — Block Diagram. AT89C51
Formato / tamaño de archivoPDF / 145 Kb
Idioma del documentoInglés

Block Diagram. AT89C51

Block Diagram AT89C51

Línea de modelo para esta hoja de datos

Versión de texto del documento

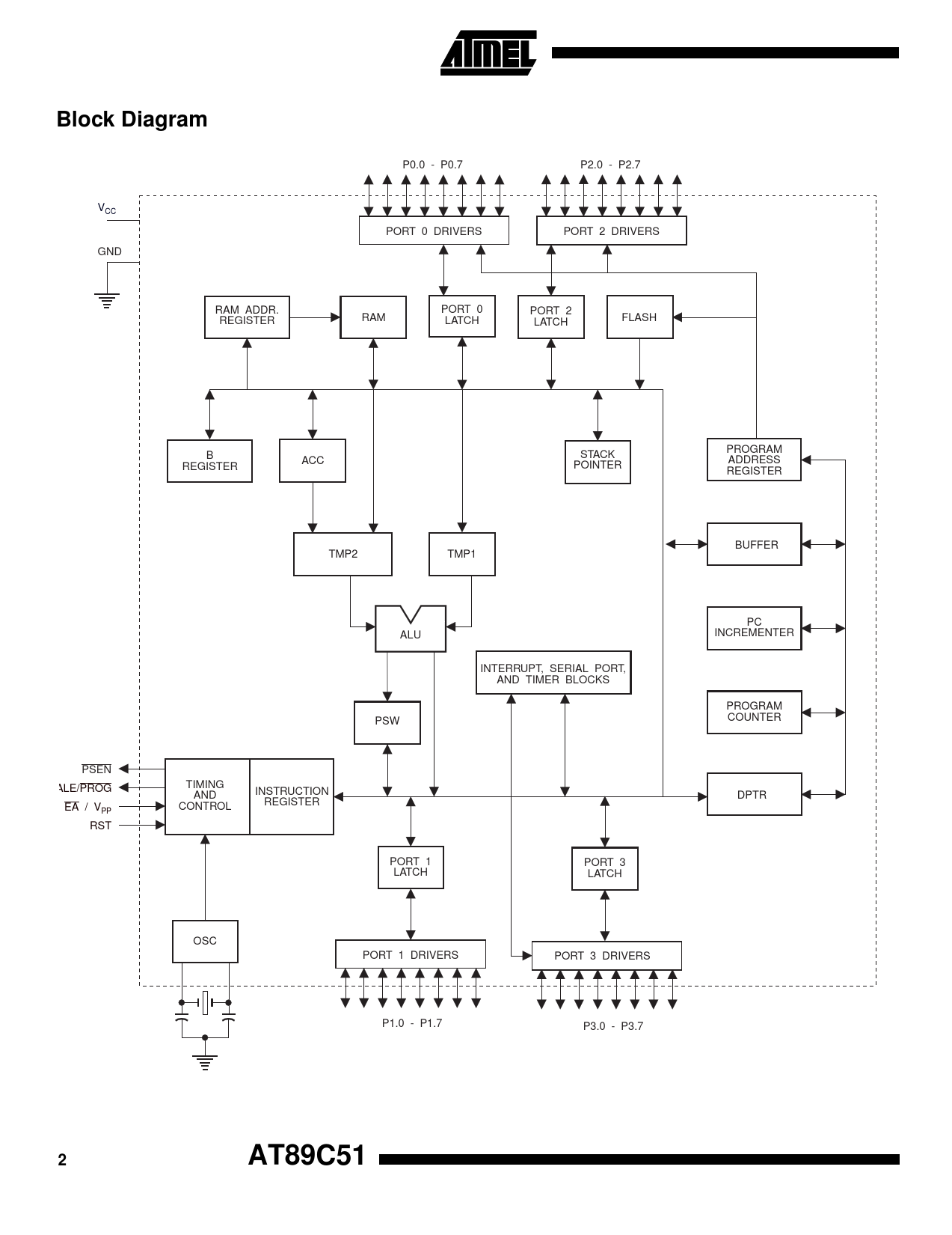
Block Diagram
P0.0 - P0.7 P2.0 - P2.7 VCC PORT 0 DRIVERS PORT 2 DRIVERS GND RAM ADDR. PORT 0 PORT 2 RAM REGISTER LATCH LATCH FLASH PROGRAM B STACK ACC ADDRESS REGISTER POINTER REGISTER BUFFER TMP2 TMP1 PC ALU INCREMENTER INTERRUPT, SERIAL PORT, AND TIMER BLOCKS PROGRAM COUNTER PSW PSEN TIMING ALE/PROG INSTRUCTION AND DPTR REGISTER EA / V CONTROL PP RST PORT 1 PORT 3 LATCH LATCH OSC PORT 1 DRIVERS PORT 3 DRIVERS P1.0 - P1.7 P3.0 - P3.7
2 AT89C51
Document Outline Block Diagram Features Description Pin Description VCC GND Port 0 Port 1 Port 2 Port 3 RST ALE/PROG PSEN EA/VPP XTAL1 XTAL2 Oscillator Characteristics Status of External Pins During Idle and Power-down Modes Lock Bit Protection Modes Programming the Flash Programming Interface Flash Programming Modes Flash Programming and Verification Waveforms - High-voltage Mode (VPP = 12V) Flash Programming and Verification Waveforms - Low-voltage Mode (VPP = 5V) Flash Programming and Verification Characteristics Absolute Maximum Ratings* DC Characteristics AC Characteristics External Program and Data Memory Characteristics External Program Memory Read Cycle External Data Memory Read Cycle External Data Memory Write Cycle External Clock Drive Waveforms External Clock Drive Serial Port Timing: Shift Register Mode Test Conditions Shift Register Mode Timing Waveforms AC Testing Input/Output Waveforms(1) Float Waveforms(1) Ordering Information