Datasheet BD242, BD242A, BD242B, BD242C (Fairchild) - 2
| Fabricante | Fairchild |
| Descripción | PNP Epitaxial Silicon Transistor |
| Páginas / Página | 3 / 2 — BD242/. Package Demensions. A/B/ |
| Formato / tamaño de archivo | PDF / 32 Kb |
| Idioma del documento | Inglés |
BD242/. Package Demensions. A/B/

Línea de modelo para esta hoja de datos
Versión de texto del documento
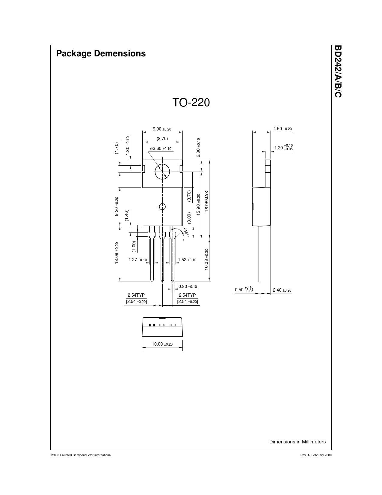
BD242/ Package Demensions A/B/ C
TO-220 9.90 ±0.20 4.50 ±0.20 (8.70) ±0.10 ±0.10 +0.10 ø3.60 ±0.10 1.30 –0.05 (1.70) 1.30 2.80 (3.70) ±0.20 ±0.20 18.95MAX. 9.20 15.90 (1.46) (3.00) (45 °) ±0.20 (1.00) ±0.30 1.27 ±0.10 1.52 ±0.10 13.08 10.08 0.80 ±0.10 +0.10 0.50 –0.05 2.40 ±0.20 2.54TYP 2.54TYP [2.54 ±0.20] [2.54 ±0.20] 10.00 ±0.20 Dimensions in Millimeters ©2000 Fairchild Semiconductor International Rev. A, February 2000