Datasheet SFH 300 FA (OSRAM) - 10
| Fabricante | OSRAM |
| Descripción | Silicon NPN Phototransistor |
| Páginas / Página | 16 / 10 — link. to. page. 14. SFH. 300. FA. DATA. A. SHEET. Dimensional. Drawing. … |
| Formato / tamaño de archivo | PDF / 1.2 Mb |
| Idioma del documento | Inglés |
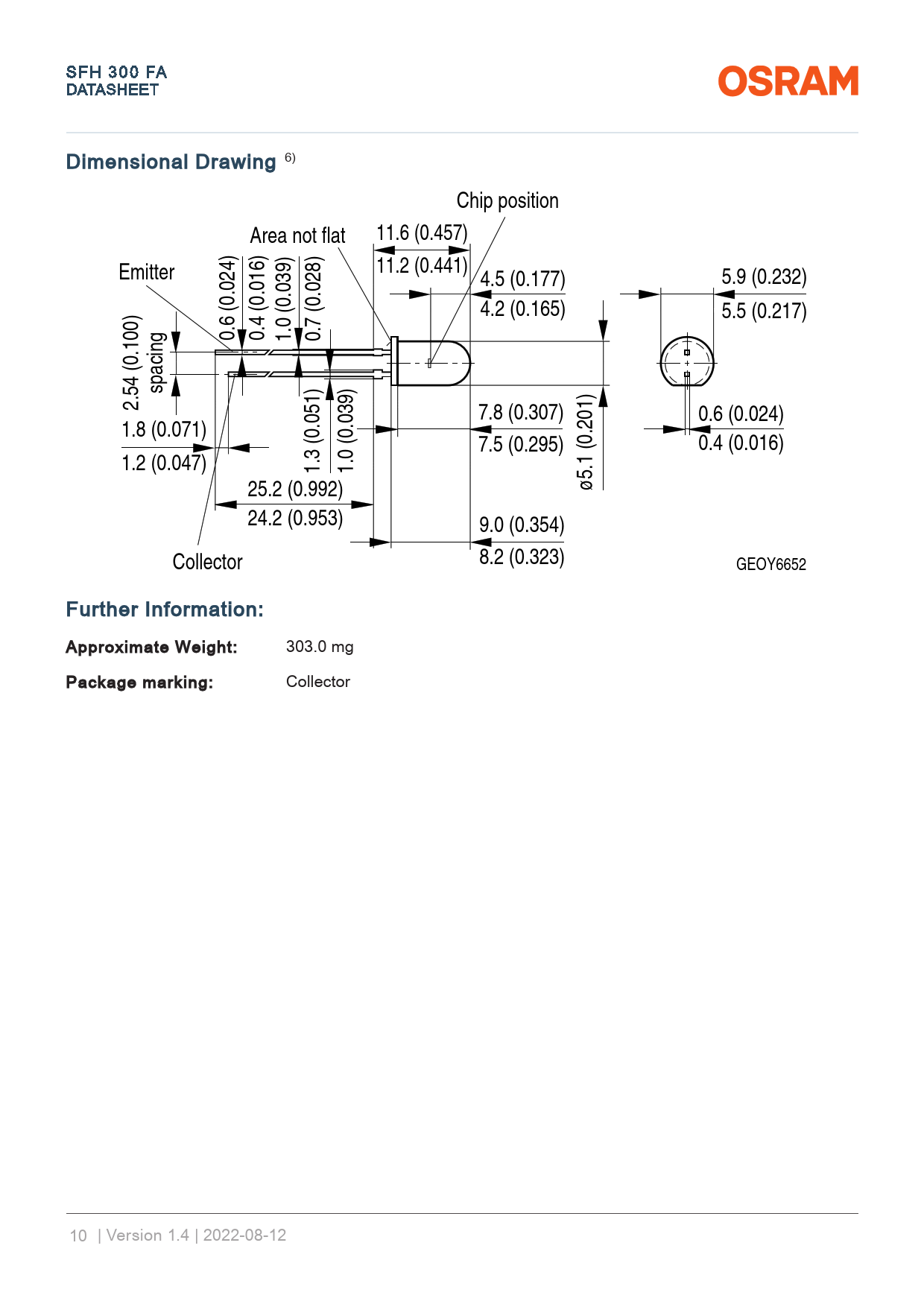
link. to. page. 14. SFH. 300. FA. DATA. A. SHEET. Dimensional. Drawing. 6). Chip. position. Area. not. flat. 11.6. (0.457). Emitter. 11.2. (0.441). 4.5. (0.177). 5.9

Línea de modelo para esta hoja de datos
Versión de texto del documento
link to page 14 SFH 300 FA DATA A SHEET Dimensional Drawing 6) Chip position Area not flat 11.6 (0.457) Emitter 11.2 (0.441) 4.5 (0.177) 5.9 (0.232) 4.2 (0.165) 5.5 (0.217) 0.6 (0.024) 0.4 (0.016) 1.0 (0.039) 0.7 (0.028) spacing 2.54 (0.100) 7.8 (0.307) 0.6 (0.024) 1.8 (0.071) 7.5 (0.295) 0.4 (0.016) 1.2 (0.047) 1.3 (0.051) 1.0 (0.039) 25.2 (0.992) ø5.1 (0.201) 24.2 (0.953) 9.0 (0.354) 8.2 (0.323) Collector GEOY6652 Further Information: Approximate Weight: 303.0 mg Package marking: Collector 10 | Version 1.4 | 2022-08-12