Datasheet SFH6156 (Vishay) - 7

FabricanteVishay
DescripciónOptocoupler, Phototransistor Output, High Reliability, 5300 V RMS
Páginas / Página9 / 7 — SFH6156. PACKAGE MARKING. Notes. TAPE AND REEL PACKAGING. SMD-4 (“T”). …
Formato / tamaño de archivoPDF / 174 Kb
Idioma del documentoInglés

SFH6156. PACKAGE MARKING. Notes. TAPE AND REEL PACKAGING. SMD-4 (“T”). SMD-4, 90° Rotation (“T1”)

SFH6156 PACKAGE MARKING Notes TAPE AND REEL PACKAGING SMD-4 (“T”) SMD-4, 90° Rotation (“T1”)

Línea de modelo para esta hoja de datos

Versión de texto del documento

SFH6156
www.vishay.com Vishay Semiconductors
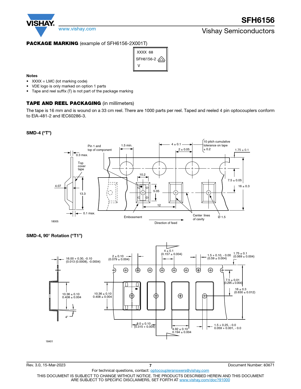
PACKAGE MARKING
(example of SFH6156-2X001T) XXXX 68 SFH6156-2 V
Notes
• XXXX = LMC (lot marking code) • VDE logo is only marked on option 1 parts • Tape and reel suffix (T) is not part of the package marking
TAPE AND REEL PACKAGING
(in millimeters) The tape is 16 mm and is wound on a 33 cm reel. There are 1000 parts per reel. Taped and reeled 4 pin optocouplers conform to EIA-481-2 and IEC60286-3.
SMD-4 (“T”)
10 pitch cumulative 4 ± 0.1 1.5 min. tolerance on tape Pin 1 and top of component 2 ± 0.05 ± 0.2 1.75 ± 0.1 0.3 max. Top cover tape 10.2 7.5 ± 0.05 4.07 16 ± 0.3 5.05 13.3 12 0.1 max. Center lines Embossment Ø 1.5 of cavity 18005 Direction of feed
SMD-4, 90° Rotation (“T1”)
4 ± 0.1 (0.157 ± 0.004) 1.75 ± 0.1 1.5 + 0.10, - 0.00 2 ± 0.10 (0.069 ± 0.004) 16.00 + 0.30, -0.10 (0.59 ± 0.004) (0.079 ± 0.004) (0.013 (0.0008), -0.0004) 7.5 ± 0.01 (0.295 ± 0.004) 16 ± 0.3 (0.630 ± 0.012) 10.36 ± 0.10 10.36 ± 0.10 0.408 ± 0.004 0.408 ± 0.004 4° 8.0 ± 0.10 1.5 + 0.25, - 0.0 (0.315 + 0.004) 4.92 ± 0.10 0.059 + 0.001, - 0.0 0.194 ± 0.004 18401 Rev. 3.0, 15-Mar-2023
7
Document Number: 83671 For technical questions, contact: optocoupleranswers@vishay.com THIS DOCUMENT IS SUBJECT TO CHANGE WITHOUT NOTICE. THE PRODUCTS DESCRIBED HEREIN AND THIS DOCUMENT ARE SUBJECT TO SPECIFIC DISCLAIMERS, SET FORTH AT www.vishay.com/doc?91000