Datasheet LS7083N, LS7084N (LSI Computer Systems) - 3

FabricanteLSI Computer Systems
DescripciónQuadrature Clock Converter
Páginas / Página4 / 3 —   The information included herein is believed to be. accurate and …
Formato / tamaño de archivoPDF / 471 Kb
Idioma del documentoInglés

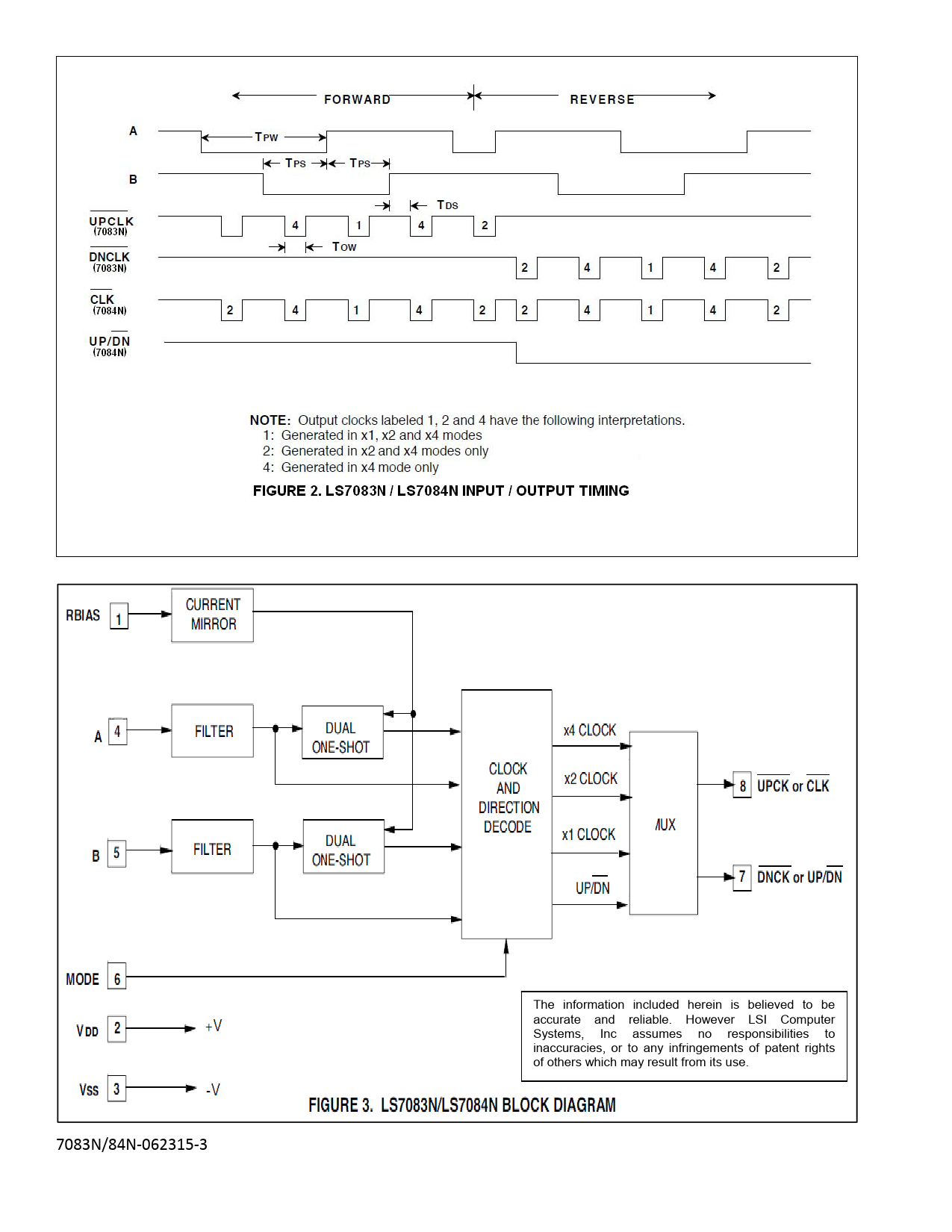
  The information included herein is believed to be. accurate and reliable. However LSI Computer

  The information included herein is believed to be accurate and reliable However LSI Computer

Línea de modelo para esta hoja de datos

Versión de texto del documento

  The information included herein is believed to be
accurate and reliable. However LSI Computer
Systems, Inc assumes no responsibilities to
inaccuracies, or to any infringements of patent rights
of others which may result from its use.  
7083N/84N‐062315‐3