Datasheet FL7921R (ON Semiconductor) - 3
| Fabricante | ON Semiconductor |
| Descripción | Integrated Critical-Mode PFC and Quasi-Resonant Current-Mode PWM Lighting Controller |
| Páginas / Página | 21 / 3 — FL7921R. INTERNAL BLOCK DIAGRAM. Figure 2. Functional Block Diagram. … |
| Formato / tamaño de archivo | PDF / 718 Kb |
| Idioma del documento | Inglés |
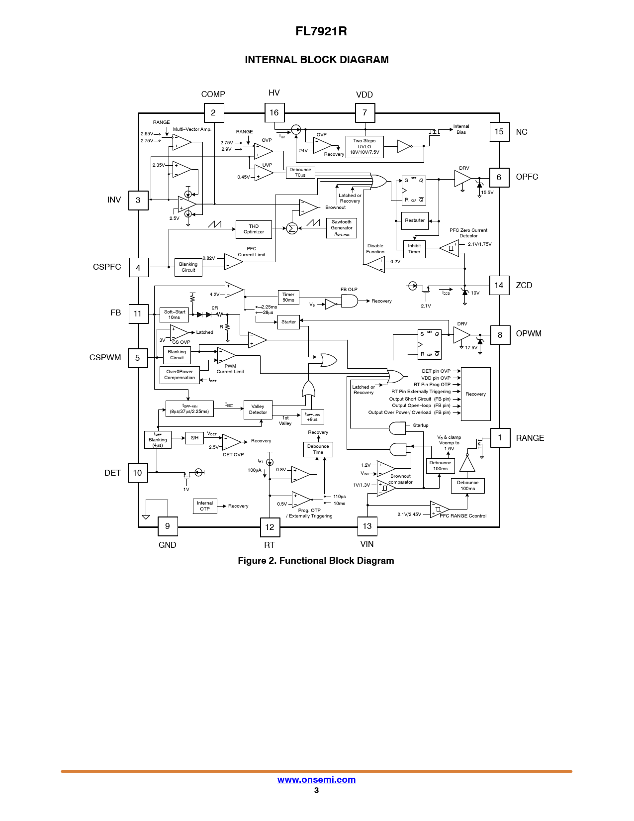
FL7921R. INTERNAL BLOCK DIAGRAM. Figure 2. Functional Block Diagram. www.onsemi.com

Línea de modelo para esta hoja de datos
Versión de texto del documento
FL7921R INTERNAL BLOCK DIAGRAM
COMP HV VDD 2 16 7 RANGE Multi−Vector Amp. Internal RANGE Bias 2.65V OVP 15 NC IHV 2.75V OVP Two Steps 2.75V UVLO 2.9V 24V 18V/10V/7.5V Recovery 2.35V UVP DRV Debounce 0.45V 70ms SET S Q 6 OPFC 15.5V INV Latched or 3 Recovery R CLR Q Brownout 2.5V Sawtooth Restarter THD Generator Optimizer PFC Zero Current /tON−max Detector 2.1V/1.75V Disable Inhibit PFC Function Timer Current Limit 0.82V 0.2V CSPFC 4 Blanking Circuit 14 ZCD FB OLP IZCD 10V 4.2V Timer 50ms Recovery V 2R B 2.25ms 2.1V FB 11 Soft−Start 28ms 10ms Starter DRV R SET Latched S Q 8 OPWM 3V CS OVP 17.5V Blanking CSPWM 5 R CLR Q Circuit PWM Over0Power Current Limit DET pin OVP Compensation VDD pin OVP IDET Latched or RT Pin Prog OTP Recovery RT Pin Externally Triggering Recovery Output Short Circuit (FB pin) t I OFF−MIN DET Valley Output Open−loop (FB pin) (8ms/37ms/2.25ms) Detector t Output Over Power/ Overload (FB pin) 1st OFF−MIN +9ms Valley Startup t V Recovery OFF DET S/H VB & clamp Blanking Recovery 1 RANGE Vcomp to (4ms) 2.5V Debounce 1.6V Time DET OVP IRT 1.2V Debounce DET 10 100mA 0.8V 100ms VINV Brownout comparator Debounce 1V/1.3V 100ms 1V 110ms Internal 0.5V 10ms OTP Recovery Prog. OTP 2.1V/2.45V / Externally Triggering PFC RANGE Ccontrol 9 12 13 GND RT VIN
Figure 2. Functional Block Diagram www.onsemi.com 3