Datasheet HEF4013B (Nexperia) - 2
| Fabricante | Nexperia |
| Descripción | Dual D-Type Flip-Flop |
| Páginas / Página | 14 / 2 — Nexperia. HEF4013B. Dual D-type flip-flop. 5. Functional diagram. Fig. 1. … |
| Formato / tamaño de archivo | PDF / 253 Kb |
| Idioma del documento | Inglés |
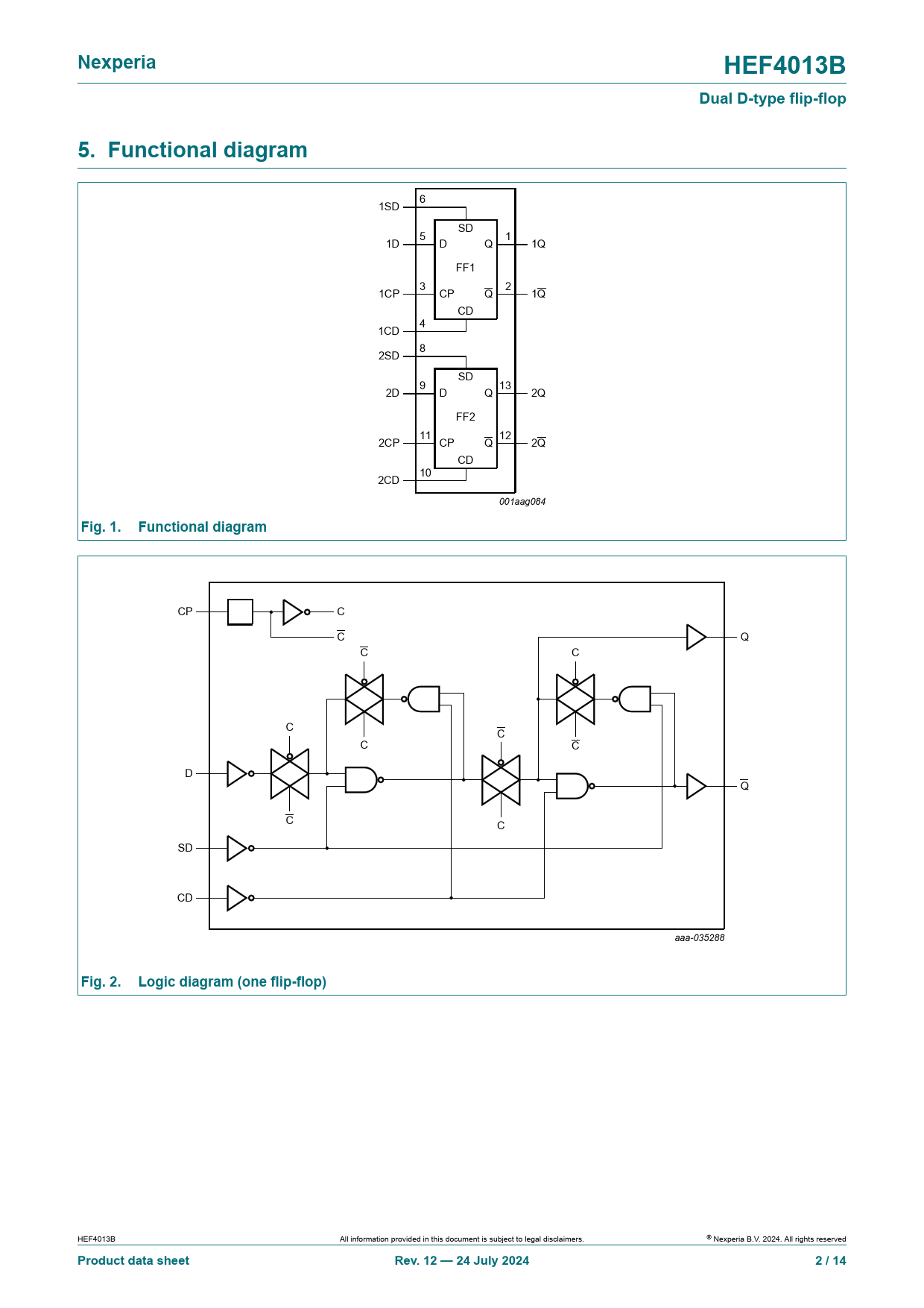
Nexperia. HEF4013B. Dual D-type flip-flop. 5. Functional diagram. Fig. 1. Functional diagram

Línea de modelo para esta hoja de datos
Versión de texto del documento
Nexperia HEF4013B Dual D-type flip-flop 5. Functional diagram
1SD 6 SD 5 1 1D D Q 1Q FF1 3 2 1CP CP Q 1Q CD 4 1CD 8 2SD SD 9 2D 13 D Q 2Q FF2 11 12 2CP CP Q 2Q CD 2CD 10 001aag084
Fig. 1. Functional diagram
CP C C Q C C C C C C D Q C C SD CD aaa-035288
Fig. 2. Logic diagram (one flip-flop)
HEF4013B All information provided in this document is subject to legal disclaimers. © Nexperia B.V. 2024. Al rights reserved
Product data sheet Rev. 12 — 24 July 2024 2 / 14
Document Outline 1. General description 2. Features and benefits 3. Applications 4. Ordering information 5. Functional diagram 6. Pinning information 6.1. Pinning 6.2. Pin description 7. Functional description 8. Limiting values 9. Recommended operating conditions 10. Static characteristics 11. Dynamic characteristics 11.1. Waveforms and test circuit 12. Application information 13. Package outline 14. Abbreviations 15. Revision history 16. Legal information Contents