Datasheet AOD5B60D (Alpha & Omega) - 9
| Fabricante | Alpha & Omega |
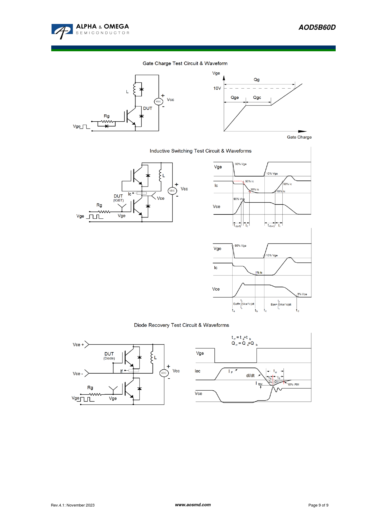
| Descripción | 600V, 5A Alpha IGBT with Diode |
| Páginas / Página | 9 / 9 — AOD5B60D. www.aosmd.com |
| Formato / tamaño de archivo | PDF / 560 Kb |
| Idioma del documento | Inglés |
AOD5B60D. www.aosmd.com

Línea de modelo para esta hoja de datos
Versión de texto del documento
AOD5B60D
Rev.4.1: November 2023
www.aosmd.com
Page 9 of 9