Datasheet PM2105L (Cubic) - 7

FabricanteCubic
DescripciónLow Power Particle Sensor
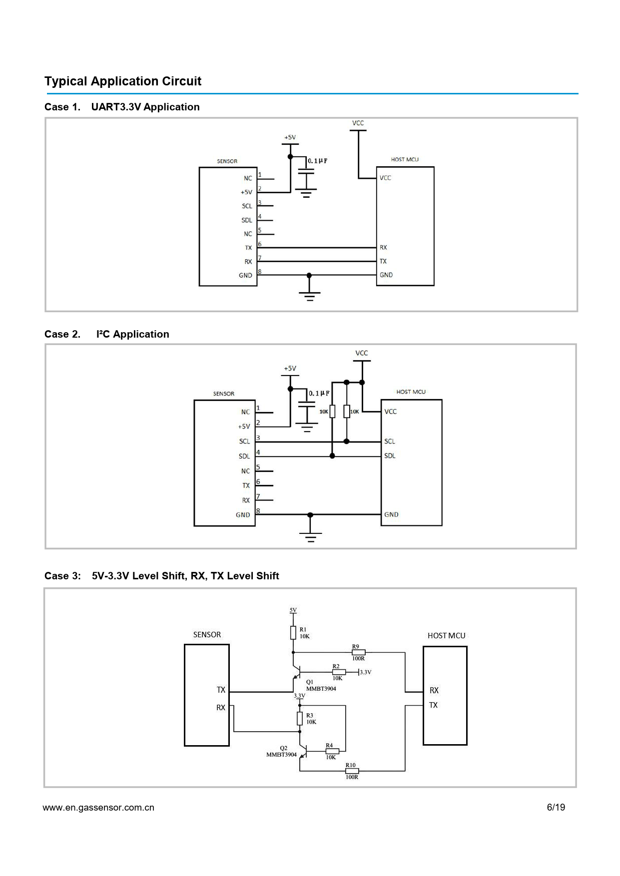
Páginas / Página16 / 7 — Typical Application Circuit. Case 1. UART3.3V Application. Case 2. I²C …
Formato / tamaño de archivoPDF / 627 Kb
Idioma del documentoInglés

Typical Application Circuit. Case 1. UART3.3V Application. Case 2. I²C Application

Typical Application Circuit Case 1 UART3.3V Application Case 2 I²C Application

Línea de modelo para esta hoja de datos

Versión de texto del documento

Typical Application Circuit Case 1. UART3.3V Application Case 2. I²C Application Case 3: 5V-3.3V Level Shift, RX, TX Level Shift
www.en.gassensor.com.cn 6/19 Document Outline Description Features Working Principle Specifications Dimensions and Connector 1.Dimensions (Unit mm, tolerance ±0.2 mm) Typical Application Circuit Case 1.UART3.3V Application Product Installation User Attention UART Communication Protocol 1. General Statement 2.Format of Serial Communication Protocol 3.Command Table of Serial Protocol Note: Example: 4.3 Set up and Read Particle Calibrated Coefficien Note: Description: 4.4 Close/Open Laser Diode Note: Note: Example: Note: Example: I²C Communication Protocol 1. Brief Introduction 2. Communication Common Description 3. Protocol Detailed Description 3.1Send Command Data 3.2Read Command Data Packing Information