Datasheet S6846 (Hamamatsu) - 5
| Fabricante | Hamamatsu |
| Páginas / Página | 10 / 5 — Light Dimensional. modulationoutline. photo. IC mm) |
| Formato / tamaño de archivo | PDF / 680 Kb |
| Idioma del documento | Inglés |
Light Dimensional. modulationoutline. photo. IC mm)

Línea de modelo para esta hoja de datos
Versión de texto del documento
Light Dimensional
modulationoutline
photo
IC mm)
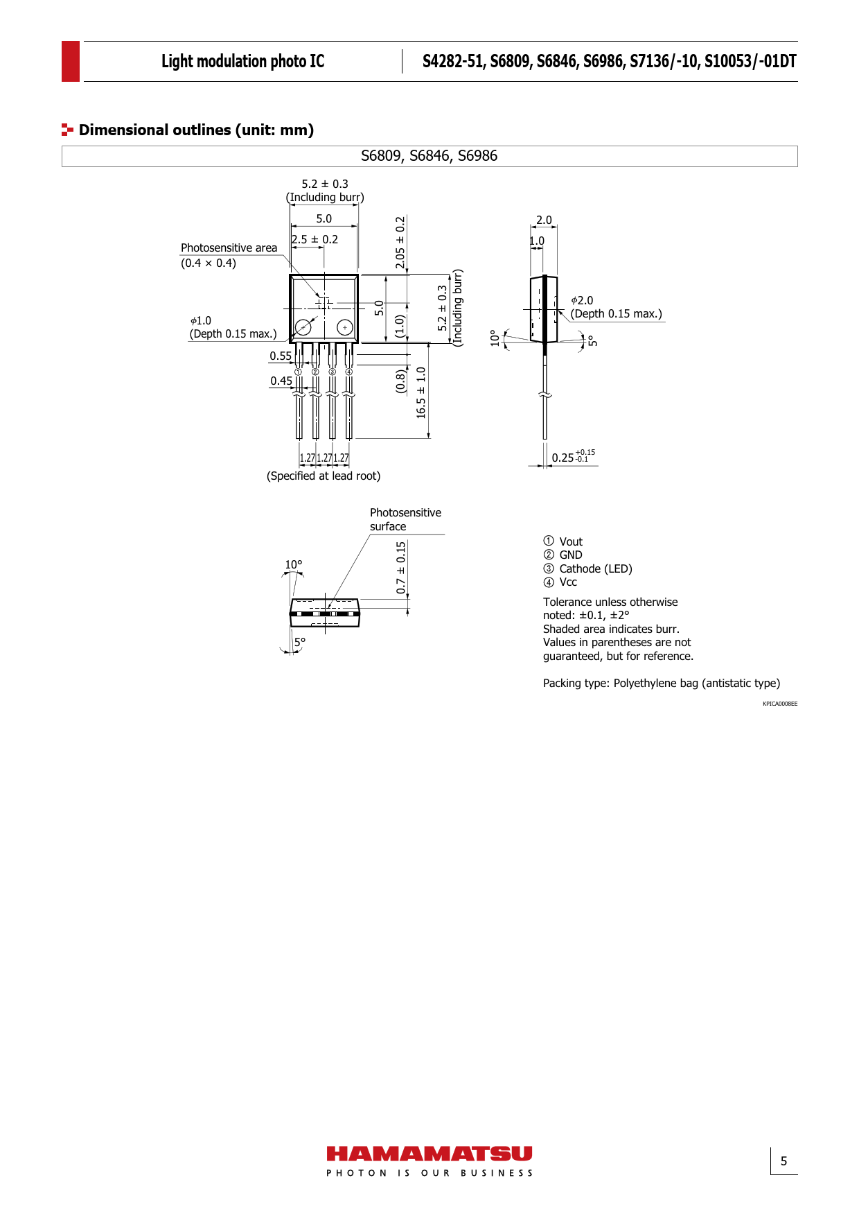
(unit: S4282-51, S6809, S6846, S6986, S7136/-10, S10053/-01DT Dimensional outlines (unit: mm)
S6809, S6846, S6986
5.2 ± 0.3
(Including burr) 5° 2.0
(Depth 0.15 max.)
10° 1.0
(Depth 0.15 max.) 1.0
5.2 ± 0.3
(Including burr) 5.0 2.5 ± 0.2 (1.0) Photosensitive area
(0.4 × 0.4) 2.0 2.05 ± 0.2 5.0 0.45 16.5 ± 1.0 (0.8) 0.55 +0.15 0.25 -0.1 1.27 1.27 1.27
(Specified at lead root) 10° 5° 0.7 ± 0.15 Photosensitive
surface
Vout
GND
Cathode (LED)
Vcc
Tolerance unless otherwise
noted: ±0.1, ±2°
Shaded area indicates burr.
Values in parentheses are not
guaranteed, but for reference.
Packing type: Polyethylene bag (antistatic type)
KPICA0008EE KPICA0008EE 5