Datasheet ATP613 (ON Semiconductor) - 6
| Fabricante | ON Semiconductor |
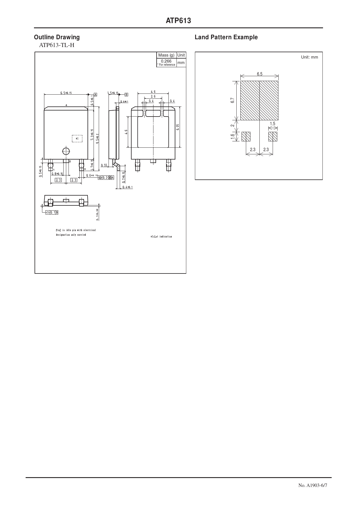
| Páginas / Página | 7 / 6 — ATP613. Outline Drawing. ATP613-TL-H Land Pattern Example. Mass (g) Unit. … |
| Formato / tamaño de archivo | PDF / 390 Kb |
| Idioma del documento | Inglés |
ATP613. Outline Drawing. ATP613-TL-H Land Pattern Example. Mass (g) Unit. 0.266 mm

Línea de modelo para esta hoja de datos
Versión de texto del documento
ATP613
Outline Drawing
ATP613-TL-H Land Pattern Example
Mass (g) Unit
0.266 mm
* For reference Unit: mm 6.7 6.5 1.6 2 1.5 2.3 2.3 No. A1903-6/7