Datasheet 2N1613 (Philips) - 5

FabricantePhilips
DescripciónNPN medium power transistor in TO-39 package
Páginas / Página8 / 5 — PACKAGE OUTLINE. Metal-can cylindrical single-ended package; 3 leads. …
Formato / tamaño de archivoPDF / 53 Kb
Idioma del documentoInglés

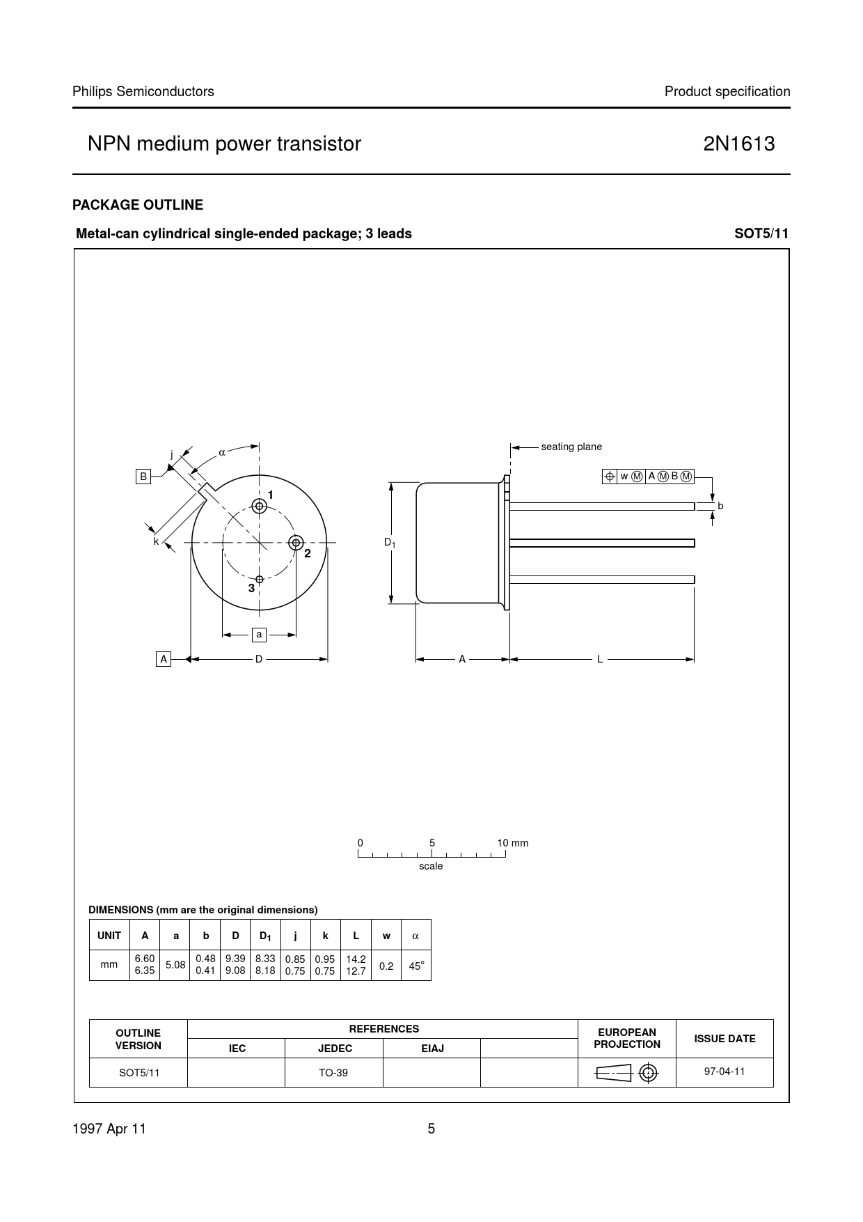
PACKAGE OUTLINE. Metal-can cylindrical single-ended package; 3 leads. SOT5/11. DIMENSIONS (mm are the original dimensions)

PACKAGE OUTLINE Metal-can cylindrical single-ended package; 3 leads SOT5/11 DIMENSIONS (mm are the original dimensions)

Línea de modelo para esta hoja de datos

Versión de texto del documento

Philips Semiconductors Product specification NPN medium power transistor 2N1613
PACKAGE OUTLINE Metal-can cylindrical single-ended package; 3 leads SOT5/11
seating plane j α B w M A M B M
1
b k D1
2 3
a A D A L 0 5 10 mm scale
DIMENSIONS (mm are the original dimensions) UNIT A a b D D1 j k L w
α 6.60 0.48 9.39 8.33 0.85 0.95 14.2 mm 5.08 6.35 0.41 9.08 8.18 0.2 45° 0.75 0.75 12.7
REFERENCES OUTLINE EUROPEAN ISSUE DATE VERSION PROJECTION IEC JEDEC EIAJ
SOT5/11 TO-39 97-04-11 1997 Apr 11 5 Document Outline FEATURES APPLICATIONS DESCRIPTION PINNING QUICK REFERENCE DATA LIMITING VALUES THERMAL CHARACTERISTICS CHARACTERISTICS PACKAGE OUTLINE SOT5/11 DEFINITIONS LIFE SUPPORT APPLICATIONS