Datasheet NTD4815NH (ON Semiconductor) - 7

FabricanteON Semiconductor
DescripciónPower MOSFET 30 V, 35 A, Single N-Channel, DPAK/IPAK
Páginas / Página8 / 7 — NTD4815NH. PACKAGE DIMENSIONS. DPAK (SINGLE GUAGE). DETAIL A. INCHES. …
Formato / tamaño de archivoPDF / 297 Kb
Idioma del documentoInglés

NTD4815NH. PACKAGE DIMENSIONS. DPAK (SINGLE GUAGE). DETAIL A. INCHES. MILLIMETERS. DIM. MIN. MAX. SEATING. L2 GAUGE. PLANE. C PLANE. ROTATED 90

NTD4815NH PACKAGE DIMENSIONS DPAK (SINGLE GUAGE) DETAIL A INCHES MILLIMETERS DIM MIN MAX SEATING L2 GAUGE PLANE C PLANE ROTATED 90

Versión de texto del documento

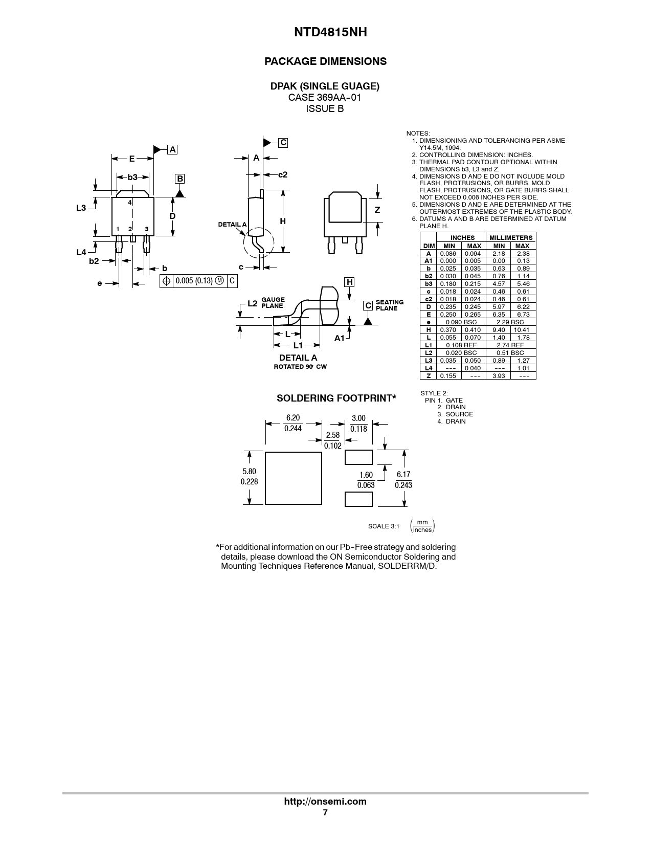
NTD4815NH PACKAGE DIMENSIONS DPAK (SINGLE GUAGE)
CASE 369AA- 01 ISSUE B NOTES:
C
1. DIMENSIONING AND TOLERANCING PER ASME Y14.5M, 1994.
A E A
2. CONTROLLING DIMENSION: INCHES. 3. THERMAL PAD CONTOUR OPTIONAL WITHIN DIMENSIONS b3, L3 and Z.
b3 c2
4. DIMENSIONS D AND E DO NOT INCLUDE MOLD
B
FLASH, PROTRUSIONS, OR BURRS. MOLD FLASH, PROTRUSIONS, OR GATE BURRS SHALL NOT EXCEED 0.006 INCHES PER SIDE.
4 L3 Z
5. DIMENSIONS D AND E ARE DETERMINED AT THE
D
OUTERMOST EXTREMES OF THE PLASTIC BODY. 6. DATUMS A AND B ARE DETERMINED AT DATUM
H DETAIL A
PLANE H.
1 2 3 INCHES MILLIMETERS DIM MIN MAX MIN MAX L4 A
0.086 0.094 2.18 2.38
b2 A1
0.000 0.005 0.00 0.13
b c b
0.025 0.035 0.63 0.89
b2
0.030 0.045 0.76 1.14
e
0.005 (0.13) M C
H b3
0.180 0.215 4.57 5.46
c
0.018 0.024 0.46 0.61
c2
0.018 0.024 0.46 0.61
SEATING L2 GAUGE PLANE C PLANE D
0.235 0.245 5.97 6.22
E
0.250 0.265 6.35 6.73
e
0.090 BSC 2.29 BSC
H
0.370 0.410 9.40 10.41
L A1 L
0.055 0.070 1.40 1.78
L1 L1
0.108 REF 2.74 REF
L2
0.020 BSC 0.51 BSC
DETAIL A L3
0.035 0.050 0.89 1.27
ROTATED 90
°
CW L4
- - - 0.040 - - - 1.01
Z
0.155 ------ 3.93 ------ STYLE 2:
SOLDERING FOOTPRINT*
PIN 1. GATE 2. DRAIN 3. SOURCE 6.20 3.00 4. DRAIN 0.244 0.118 2.58 0.102 5.80 1.60 6.17 0.228 0.063 0.243 SCALE 3:1  mm  inches *For additional information on our Pb- Free strategy and soldering details, please download the ON Semiconductor Soldering and Mounting Techniques Reference Manual, SOLDERRM/D.
http://onsemi.com 7